Запчасти Doosan Daewoo AIR CONDITIONER ENGINE PARTS

4
8
5
9
3
7
6
1
2
FIT
1:1
100%

Артикул

Название

Примечание

Количество

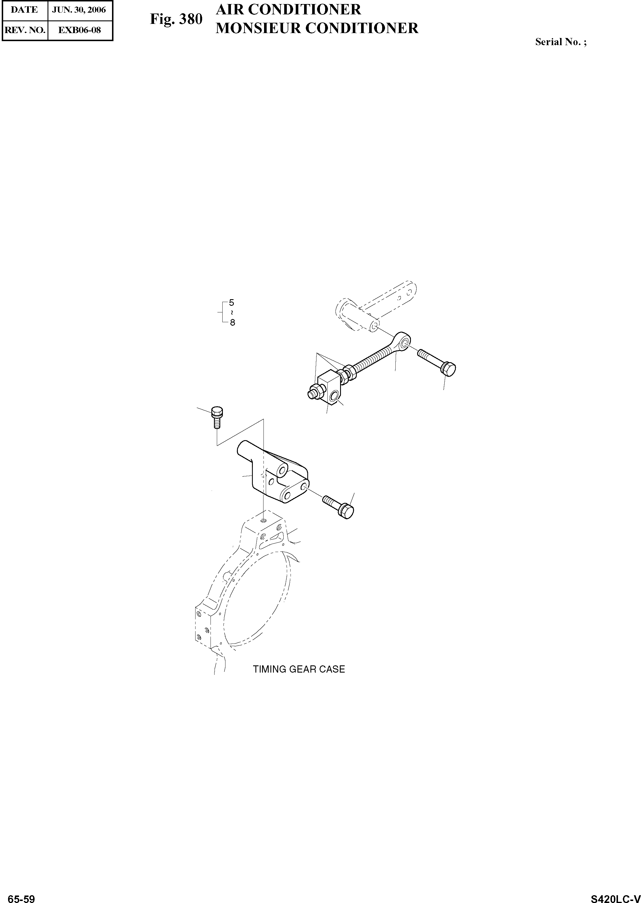
1

65.28652-0013

BRACKET;AIR CON.COMP

desc: SUPPORT

1шт.

2

06.01943-3323

BOLT ASS'Y M12X1.5X60

desc: BOULON A 6PANS

2шт.

3

06.01913-3217

BOLT ASS'Y M10X30

desc: BOULON A 6PANS

1шт.

4

65.19103-6010

EYE BOLT ASS'Y

SERIAL: 060526

1шт.

4

65.19103-6010A

EYE BOLT ASS'Y

SERIAL: 060527

1шт.

5

65.90441-0009A

BOLT;EYE

SC: D

1шт.

6

65.19107-0001

PIECE;GUIDE

SERIAL: 060526

1шт.

6

65.19107-0001A

PIECE;GUIDE

SERIAL: 060527

1шт.

7

65.93020-0055

BUSH

SC: D

1шт.

8

06.11063-9217

NUT;HEX

SC: D

3шт.

9

06.01943-3319

BOLT ASS'Y M12X1.5X40

desc: BOULON A 6PANS

1шт.

Выбрано товаров: 11