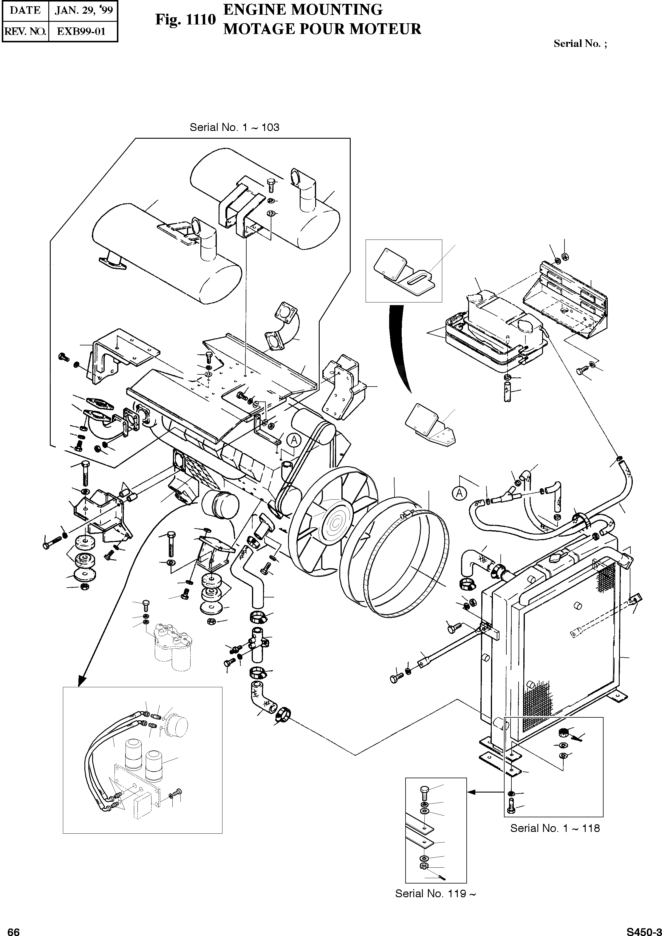
Запчасти Doosan Daewoo ENGINE MOUNTING BODY PARTS

40
44
51
46
45
19
53
60
59
16
57
61
58
42
49
51
50
19
56
53
63
44
54
2
36
62
43
39
41
16
40
52
36
36
68
40
69
7
47
69
4
69
8
48
3
65
1
67
13
17
12
7
15
38
33
11
5
10
8
36
6
54
19
9
14
30
37
51
70
13
9
33
66
19
28
6
53
34
64
28
13
20
31
33
36
35
78
77
76
32
26
33
27
25
24
73
80
23
21
22
25
21
74
75
24
71
23
22
26
27
76
71
76
FIT
1:1
100%

Артикул

Название

Примечание

Количество

-

2201-1058

ENGINE ASS'Y

SC: D

-2шт.

1

2201-9048

ENGINE

SERIAL: 1-196

1шт.

1

2201-9048A

ENGINE

SERIAL: 197

1шт.

2

2195-4589B

BRACKET

desc: SUPPORT

1шт.

3

2195-4588A

BRACKET

desc: SUPPORT

1шт.

4

2114-4094

SPACER

desc: BAGUE D'ECARTEMENT

4шт.

5

2161-9414

RUBBER;REAR

desc: CAOUTCHOUC

4шт.

6

2114-4018A

WASHER

desc: RONDELLE PLATE

2шт.

7

S0576061

BOLT M24X3X140

desc: BOULON A 6 PANS

4шт.

8

S5011313

WASHER;PLAIN M24

desc: RONDELLE PLATE

4шт.

9

S4013333

NUT M24X3.0

desc: ECROU

4шт.

10

S0762853

BOLT M14X1.5X45

desc: BOULON A 6 PANS

8шт.

11

S5102803

WASHER;SPRING M14

desc: RONDELLE ELASTIQUE

8шт.

12

S0766261

BOLT M16X1.5X100

desc: BOULON A 6 PANS

4шт.

13

S5102901

WASHER;SPRING M16

desc: RONDELLE ELASTIQUE

8шт.

14

2161-9413

RUBBER;FRONT

desc: CAOUTCHOUC

4шт.

15

2197-1157

BRACKET

desc: SUPPORT

1шт.

16

2197-1331

BRACKET

SERIAL: 1-3

1шт.

16

2197-1331A

BRACKET

SERIAL: 4-236

1шт.

16

2197-1331B

BRACKET

SERIAL: 237

1шт.

17

S5010813

WASHER;PLAIN M14

desc: RONDELLE PLATE

8шт.

19

S5102703

WASHER;SPRING M12

SERIAL: 1-3

20шт.

19

S5102703

WASHER;SPRING M12

SERIAL: 4-103

22шт.

19

S5102703

WASHER;SPRING M12

SERIAL: 104

10шт.

20

2202-9056A

RADIATOR

SERIAL: 1-196

1шт.

20

2202-9056B

RADIATOR

SERIAL: 197

1шт.

21

2120-1035D13

BOLT M16X2.0X70

desc: BOULON A 6 PANS

4шт.

22

S5010913

WASHER;PLAIN M16

SERIAL: 1-3

4шт.

22

S5010913

WASHER;PLAIN M16

SERIAL: 4

6шт.

23

2161-9415

PAD

desc: PLAQUE CAOUTCHOUC

2шт.

24

2161-9417

WASHER

desc: RONDELLE PLATE

4шт.

25

2161-9416

WASHER

desc: RONDELLE PLATE

4шт.

26

S4212903

NUT;CASTLE M16X2.0

desc: ECROU CRENELE

4шт.

27

S5735601

PIN;SPLIT

desc: GOUPILLE FENDUE

4шт.

28

2145-1229

STAY

SERIAL: 1-3

2шт.

28

2145-1229A

STAY

SERIAL: 4

2шт.

30

S4012933

NUT M16X2.0

desc: ECROU

2шт.

31

S0521051

BOLT M16X2.0X25

desc: BOULON A 6 PANS

2шт.

32

2185-4049

HOSE;WATER

desc: FLEXIBLE D'EAU

1шт.

33

S8450066

CLAMP

desc: COLLIER

6шт.

34

2182-4017

PIPE;WATER

desc: TUYAU D'EAU

1шт.

35

S0511653

BOLT M10X1.5X16

SERIAL: 1-103

8шт.

35

S0511653

BOLT M10X1.5X16

SERIAL: 104

2шт.

36

S5102603

WASHER;SPRING M10

SERIAL: 1-103

28шт.

36

S5102603

WASHER;SPRING M10

SERIAL: 104

2шт.

37

2185-1611

HOSE;WATER

desc: FLEXIBLE D'EAU

1шт.

38

2185-1610

HOSE;WATER

desc: FLEXIBLE D'EAU

1шт.

39

S5010613

WASHER;PLAIN M10

SERIAL: 4-118

2шт.

40

S4012633

NUT M10X1.5

SERIAL: 1-103

20шт.

41

2140-1109

PIPE;EXHAUST

SERIAL: 1-103

1шт.

42

2140-1108

PIPE;EXHAUST

SERIAL: 1-103

1шт.

43

2180-9409

GASKET

SERIAL: 1-103

2шт.

44

S0558153

BOLT M10X1.5X30

SERIAL: 1-3

9шт.

44

S0558253

BOLT M10X1.5X35

SERIAL: 4

9шт.

44

S0558253

BOLT M10X1.5X35

desc: BOULON A 6 PANS

8шт.

45

2203-1668A

EXAUST(L.H.)

SERIAL: 1-3

1шт.

45

2203-1668B

EXAUST(L.H.)

SERIAL: 4-103

1шт.

46

2203-1667A

EXAUST(R.H.)

SERIAL: 1-3

1шт.

46

2203-1667B

EXAUST(R.H.)

SERIAL: 4-103

1шт.

47

2160-9025

COVER;FAN

desc: COUVERCLE

1шт.

48

2124-9024

CLAMP;FAN COVER

desc: COLLIER

1шт.

49

2197-1158

BRACKET

SERIAL: 1-3

1шт.

49

2197-1158A

BRACKET

SERIAL: 4-103

1шт.

50

2197-1156

BRACKET

SERIAL: 1-3

1шт.

50

2197-1156A

BRACKET

SERIAL: 4-103

1шт.

51

S0515053

BOLT M12X1.75X25

SERIAL: 1-3

12шт.

51

S0515353

BOLT M12X1.75X35

SERIAL: 4

12шт.

51

S0515353

BOLT M12X1.75X35

desc: BOULON A 6 PANS

20шт.

52

2195-3470

BRACKET

SERIAL: 1-3

1шт.

52

2197-1391

BRACKET

SERIAL: 4-118

1шт.

53

S5010713

WASHER;PLAIN M12

SERIAL: 1-3

12шт.

53

S5010713

WASHER;PLAIN M12

SERIAL: 4-103

14шт.

53

S5010713

WASHER;PLAIN M12

SERIAL: 104

2шт.

54

S0512053

BOLT M10X1.5X25

desc: BOULON A 6 PANS

4шт.

56

S5010613

WASHER;PLAIN M10

SERIAL: 1-103

10шт.

56

S5010613

WASHER;PLAIN M10

SERIAL: 104

4шт.

57

2470-9012A

TANK;SURGE

desc: RESERVOIR

1шт.

58

2195-4610A

BRACKET;STRIP

desc: SUPPORT

2шт.

59

S5102303

WASHER;SPRING M6

desc: RONDELLE ELASTIQUE

4шт.

60

S4012333

NUT M6X1.0

desc: ECROU

4шт.

61

2195-4609

BRACKET

SERIAL: 1-3

1шт.

61

2197-1371

BRACKET

SERIAL: 4-18

1шт.

61

2197-1371A

BRACKET

SERIAL: 19

1шт.

62

2185-1247D71

HOSE;WATER 15.88-23.81-1800L

desc: FLEXIBLE D'EAU

2шт.

63

S8450018

CLAMP;HOSE

desc: ATTACHE DE TUYAU

2шт.

64

2181-4252

ADAPTER PT1/2

desc: RACCORD

1шт.

65

2124-1084D2

CLIP;BAND

desc: ATTACHE

2шт.

66

S0521351

BOLT M16X2.0X35

desc: BOULON A 6 PANS

2шт.

67

2185-1247D82

HOSE;WATER 11.11-18.26-1500L

desc: FLEXIBLE D'EAU

1шт.

68

2185-1247D73

HOSE;WATER 11.11-18.26-1000L

desc: FLEXIBLE D'EAU

1шт.

69

S8450012

CLAMP;HOSE

desc: COLLIER

2шт.

70

S0558753

BOLT M10X1.5X55

SERIAL: 1-3

2шт.

70

S0560553

BOLT M12X1.75X40

SERIAL: 4

2шт.

71

2181-1917D35

ADAPTER M30X1.5.PF1"

SERIAL: 4

3шт.

73

2184-1061D238

HOSE PF1-430L

SERIAL: 4

2шт.

73

2184-1061D238

HOSE PF1-430L

SERIAL: 4-206

1шт.

73

2184-1300D1

HOSE PF1-430L

SERIAL: 207

1шт.

74

S0560553

BOLT M12X1.75X40

SERIAL: 4

4шт.

75

S5102703

WASHER;SPRING M12

SERIAL: 4

4шт.

76

S8180481

RING;SEAL

SERIAL: 4

4шт.

77

2181-1917D40

ADAPTER M30X1.5.PF1"

SERIAL: 4

1шт.

78

2184-1061D239

HOSE PF1-410L

SERIAL: 4-206

1шт.

78

2184-1300D2

HOSE PF1-410L

SERIAL: 207

1шт.

80

2471-9056

OIL FILTER ASS'Y;ENGINE

SERIAL: 182

1шт.

Выбрано товаров: 104