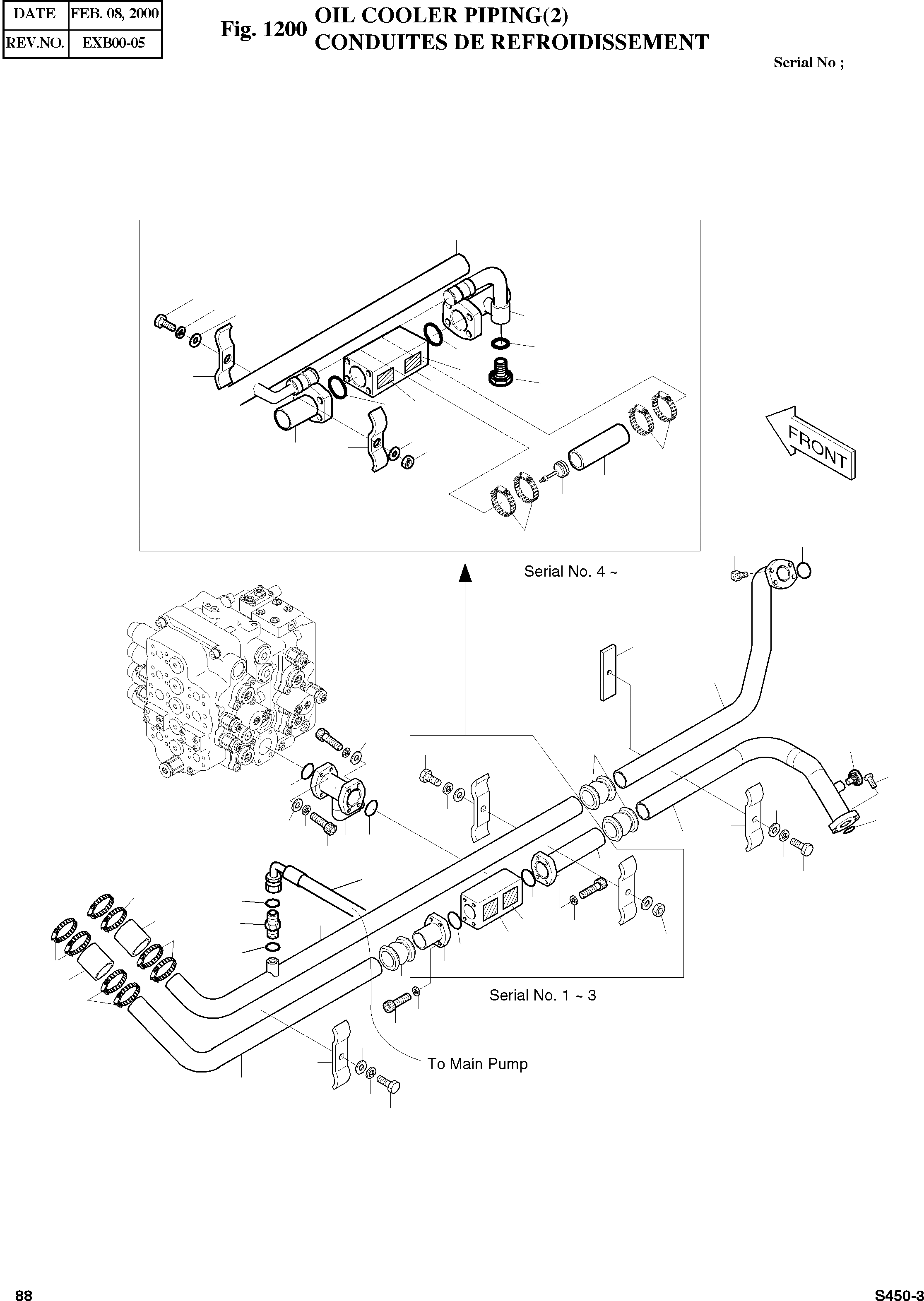
Запчасти Doosan Daewoo OIL COOLER PIPING(2) BODY PARTS

17
27
23
18
51
28
49
53
60
17
47
50
59
24
17
48
28
52
50
19
63
62
61
63
17
16
66
14
26
25
28
65
21
51
49
16
17
50
28
28
17
50
28
25
15
26
49
19
13
51
50
23
10
17
26
22
18
8
25
47
23
28
24
52
48
17
9
19
21
22
23
25
26
28
50
20
49
51
FIT
1:1
100%

Артикул

Название

Примечание

Количество

-

2400-1671

PIPING;OIL COOLER

SC: D

-2шт.

8

2181-4133D5

ADAPTER;PF3/4-1 3/16ORS

SERIAL: 4

1шт.

9

S8000241

O-RING P24

SERIAL: 4

1шт.

10

S8030121

O-RING F12

SERIAL: 4

1шт.

13

2184-1197D29

HOSE;RETURN 1 3/16-500L

SERIAL: 4-73

1шт.

13

2184-1197D38

HOSE;RETURN 470L

SERIAL: 74-261

1шт.

13

2184-1197D111

HOSE;RETURN 440L

SERIAL: 262

1шт.

14

2140-1064

PIPE

SERIAL: 1-3

1шт.

14

2140-1064A

PIPE

SERIAL: 4

1шт.

15

2140-1063

PIPE

SERIAL: 1-3

1шт.

15

2140-1063B

PIPE

SERIAL: 4-258

1шт.

15

2140-1063C

PIPE

SERIAL: 259

1шт.

16

S2218461

BOLT;SOCKET M14X2.0X40

desc: BOULON A 6 PANS CREUX

8шт.

17

2180-1026D27

O-RING

desc: JOINT TORIQUE

6шт.

18

2140-1069

PIPE;COOLER TOP2

SERIAL: 1-3

1шт.

18

2140-1069A

PIPE;COOLER TOP3

SERIAL: 4

1шт.

19

2140-1067

PIPE;COOLER BOT2

SERIAL: 1-3

2шт.

19

2140-1067

PIPE;COOLER BOT3

SERIAL: 4

1шт.

20

2140-1068

PIPE;TANK RETURN

SERIAL: 1-3

1шт.

20

2140-1068A

PIPE;TANK RETURN

SERIAL: 4

1шт.

21

2414-9001A

COUPLING

desc: ACCOUPLEMENT

3шт.

22

2185-1002D80

HOSE Ґх59X165

SERIAL: 1-23

2шт.

22

2185-1002D98

HOSE 60.5-77-165L

SERIAL: 24

2шт.

23

S8450066

CLAMP;HOSE

desc: COLLIER

8шт.

24

2420-9299

VALVE;BY-PASS

SERIAL: 1-3

1шт.

24

2420-9354

VALVE;BY-PASS

SERIAL: 4-98

1шт.

24

2420-9354A

VALVE;BY-PASS

SERIAL: 99-201

1шт.

24

2420-9591

VALVE;BY-PASS

SERIAL: 202

1шт.

25

S5110701

WASHER;SPRING M12

desc: RONDELLE ELASTIQUE

16шт.

26

S2215361

BOLT;SOCKET M12X1.75X35

SERIAL: 1-258

16шт.

26

S2215461

BOLT;SOCKET M12X1.75X40

SERIAL: 259

16шт.

27

2140-1066

PIPE;C/V TO BY-PASS

desc: TUYAU

1шт.

28

S5010713

WASHER;PLAIN M12

desc: RONDELLE PLATE

12шт.

47

2190-2598

PLATE;NAME

desc: PLAQUE SIGNALETIQUES

1шт.

48

2190-2621

PLATE;NAME

desc: PLAQUE SIGNALETIQUES

1шт.

49

S5102703

WASHER;SPRING M12

desc: RONDELLE ELASTIQUE

3шт.

50

2124-1340D15

CLAMP;PIPE

desc: ATTACHE DE TUYAU

4шт.

51

S0561353

BOLT M12X1.75X80

desc: BOULON A 6 PANS

3шт.

52

S4012733

NUT M12X1.75

desc: ECROU

1шт.

53

2140-1181

PIPE

SERIAL: 4

1шт.

59

2181-1950D10

PLUG PFO 1 1/4

SERIAL: 4

1шт.

60

S8000381

O-RING P38

SERIAL: 4

1шт.

61

2426-9006

VALVE;BY-PASS 1.5K

SERIAL: 4

1шт.

62

2185-1003D29

HOSE

SERIAL: 4

1шт.

63

S8450053

CLAMP;HOSE

SERIAL: 4

4шт.

65

2181-2047A

PLUG

SERIAL: 259

1шт.

66

191-00101

PLATE

SERIAL: 272

1шт.

Выбрано товаров: 47