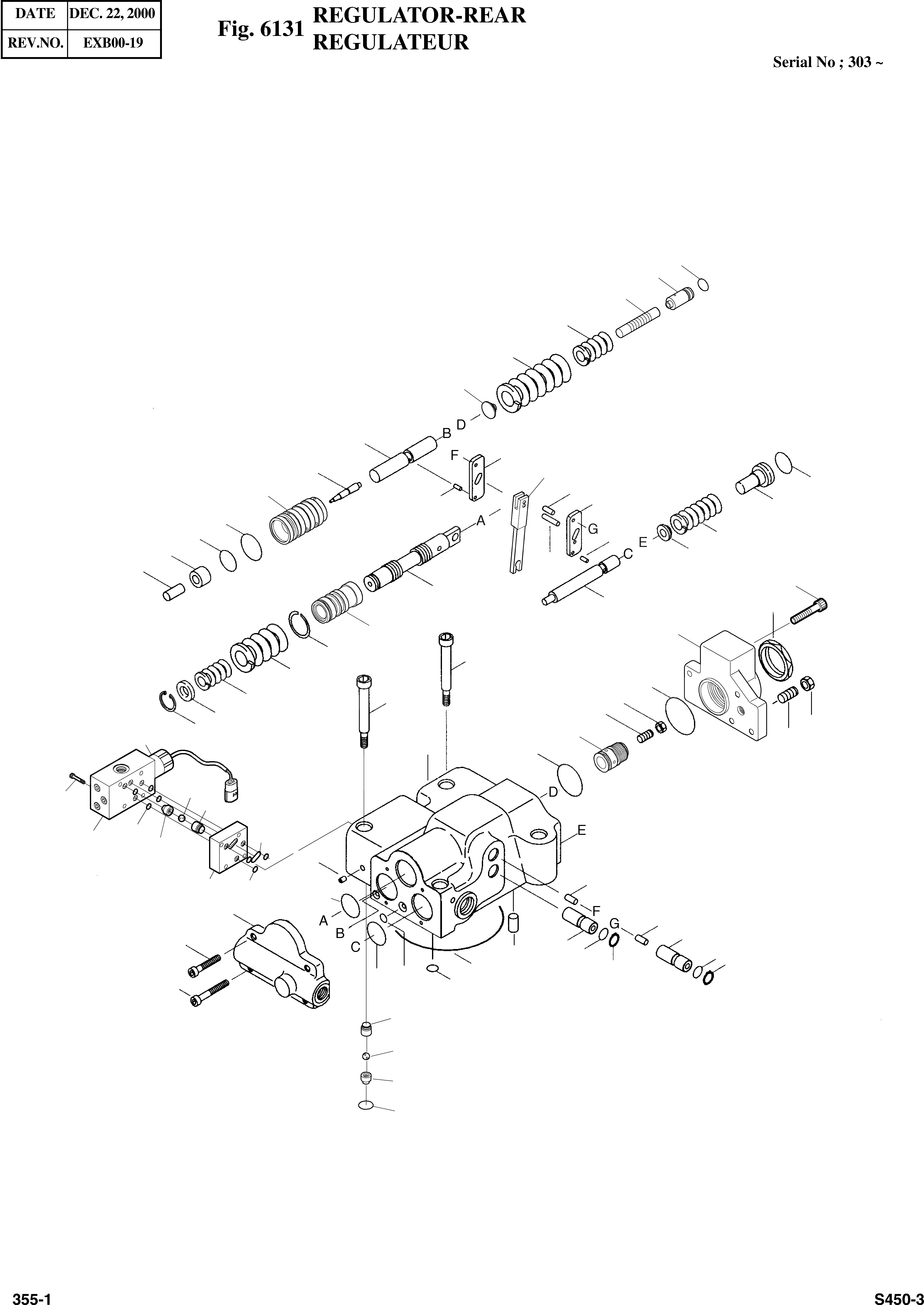
Запчасти Doosan Daewoo REGULATOR-REAR HYDRAULIC PARTS

858
732
627
674
626
625
624
623
612
621
611
728
874
622
613
875
645
733
732
875
646
631
644
897
898
438
652
643
630
629
651
836
412
655
763
413
801
654
925
653
801
814
628
924
79
601
756
545
408
543
755
735
699
541
496
875
697
722
734
641
875
614
438
615
755
887
755
858
708
725
730
724
436
543
545
541
755
FIT
1:1
100%

Артикул

Название

Примечание

Количество

-

718771

REGULATOR ASS'Y(REAR)

SERIAL: 303

2шт.

79

719754

PROPORTIONAL VALVE

desc: VANNE

1шт.

408

205519

BOLT;SOCKET

desc: BOULON A 6 PANS CREUX

4шт.

412

200852

BOLT;SOCKET

desc: BOULON A 6 PANS CREUX

2шт.

413

205526

BOLT;SOCKET

desc: BOULON A 6 PANS CREUX

2шт.

436

200833

BOLT;SOCKET

desc: BOULON A 6 PANS CREUX

2шт.

438

200830

BOLT;SOCKET

desc: BOULON A 6 PANS CREUX

6шт.

496

134596

PLUG

desc: BOUCHON

8шт.

541

135203

SEAT

SC: D

2шт.

543

135204

STOPPER

SC: D

2шт.

545

200166

BALL;STEEL

SC: D

2шт.

601

135206

CASING

SC: D

1шт.

611

113712

LEVER;FEEDBACK

SC: D

1шт.

612

113409

LEVER 1

SC: D

1шт.

613

113410

LEVER 2

SC: D

1шт.

614

113411

PLUG;SUPPORT

SC: D

1шт.

615

113412

PLUG;ADJUST

SC: D

1шт.

621

116229

PISTON;COMPENSATOR

SC: D

1шт.

622

115805

CASE;PISTON

SC: D

1шт.

623

113415

ROD;COMPENSATOR

SC: D

1шт.

624

113416

SEAT;SPRING(C)

SC: D

1шт.

625

131656

SPRING;OUTER

SC: D

1шт.

626

131657

SPRING;INNER

SC: D

1шт.

627

120009

STEM;ADJUST(C)

SC: D

1шт.

628

120010

SCREW;ADJUST(C)

SC: D

1шт.

629

120011A

COVER(C)

SC: D

1шт.

630

113396

NUT;LOCK

SC: D

1шт.

631

138039

SLEEVE;PF

SC: D

1шт.

641

115804

COVER;PILOT

SC: D

1шт.

643

113406

PISTON;PILOT

SC: D

1шт.

644

113431

SEAT;SPRING(Q)

SC: D

1шт.

645

113435

RING;ADJUST(Q)

SC: D

1шт.

646

131661

SPRING;PILOT

SC: D

1шт.

651

117387

SLEEVE

SC: D

1шт.

652

113441

SPOOL

SC: D

1шт.

653

113442

SEAT;SPRING

SC: D

1шт.

654

113443

SPRING;RETURN

SC: D

1шт.

655

113444

SPRING;SET

SC: D

1шт.

674

120055

PISTON

SC: D

1шт.

697

135202

PLATE;CHECK VALVE

SC: D

1шт.

699

135205

CASING;VALVE

SC: D

1шт.

708

201673

O-RING 1BG-75

SC: K

1шт.

722

201757

O-RING 1BP-6

SC: K

3шт.

724

201765

O-RING 1BP-8

SC: K

8шт.

725

201685

O-RING 1BP-10

SC: K

1шт.

728

201710

O-RING 1BP-18

SC: K

1шт.

730

201718

O-RING 1BP-22

SC: K

1шт.

732

201706

O-RING 1BP-16

SC: K

2шт.

733

201713

O-RING 1BP-20

SC: K

1шт.

734

201654

O-RING 1BG-25

SC: K

1шт.

735

204458

O-RING 1BP-12.5

SC: K

1шт.

755

201689

O-RING 1BP-11

SC: K

7шт.

756

201723

O-RING 1BP-26

SC: K

2шт.

763

201660

O-RING 1BG-35

SC: K

1шт.

801

212035

NUT;HEX

desc: ECROU

2шт.

814

204956

RING;SNAP

desc: BAGUE ELASTIQUE

1шт.

836

215018

RING;STOP

SC: D

1шт.

858

212036

RING;SNAP

desc: BAGUE ELASTIQUE

2шт.

874

217841

PIN

SC: D

1шт.

875

212005

PIN

SC: D

4шт.

887

113394

PIN

SC: D

1шт.

897

217842

PIN

SC: D

1шт.

898

138040

PISTON;PF

SC: D

1шт.

924

202523

SCREW;SET

desc: VIS

1шт.

925

113395

SCREW;ADJUST(Q1)

desc: VIS

1шт.

*

719514

SEAL KIT;REGULATOR

desc: KIT D'ETANCHEITE

1шт.

Выбрано товаров: 66