Запчасти Doosan Daewoo MAIN PIPING(5)-TRAVEL BODY PARTS

24
42
42
6
6
42
25
42
13
8
13
42
6
13
6
13
8
6
13
13
6
42
23
13
6
42
22
FIT
1:1
100%

Артикул

Название

Примечание

Количество

-

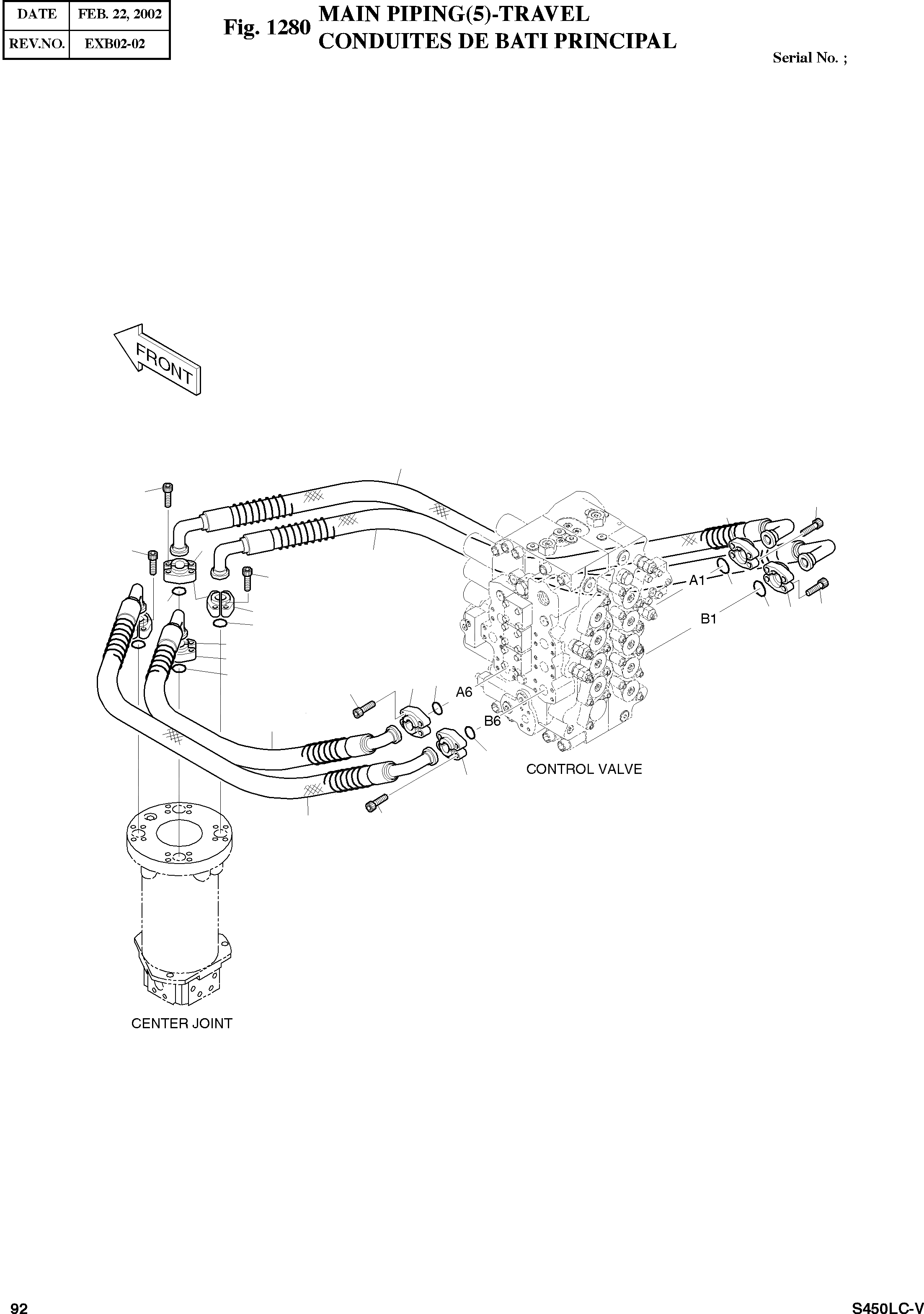
2400-2169B

MAIN PIPING

SC: D

-2шт.

6

2181-9081

FLANGE;SPLIT

desc: BRIDE

12шт.

8

2181-9084A

FLANGE;SPLIT

desc: FLASQUE EN DEUX PARTIES

4шт.

13

2180-1026D19

O-RING

desc: JOINT TORIQUE

8шт.

22

2184-1124D196

HOSE 1550L

SERIAL: 1001-1036

1шт.

22

2184-1124D219

HOSE 1550L

SERIAL: 1037

1шт.

23

2184-1124D176

HOSE 1350L

SERIAL: 1001-1036

1шт.

23

2184-1124D220

HOSE 1350L

SERIAL: 1037

1шт.

24

2184-1124D177

HOSE 1700L

SERIAL: 1001-1036

1шт.

24

2184-1124D221

HOSE 1700L

SERIAL: 1037

1шт.

25

2184-1124D178

HOSE 1400L

SERIAL: 1001-1036

1шт.

25

2184-1124D222

HOSE 1400L

SERIAL: 1037

1шт.

42

S2215461

BOLT;SOCKET M12X1.7X40

SERIAL: 1001-1064

32шт.

42

S2215466

BOLT;SOCKET M12X1.7X40

SERIAL: 1065

32шт.

Выбрано товаров: 14