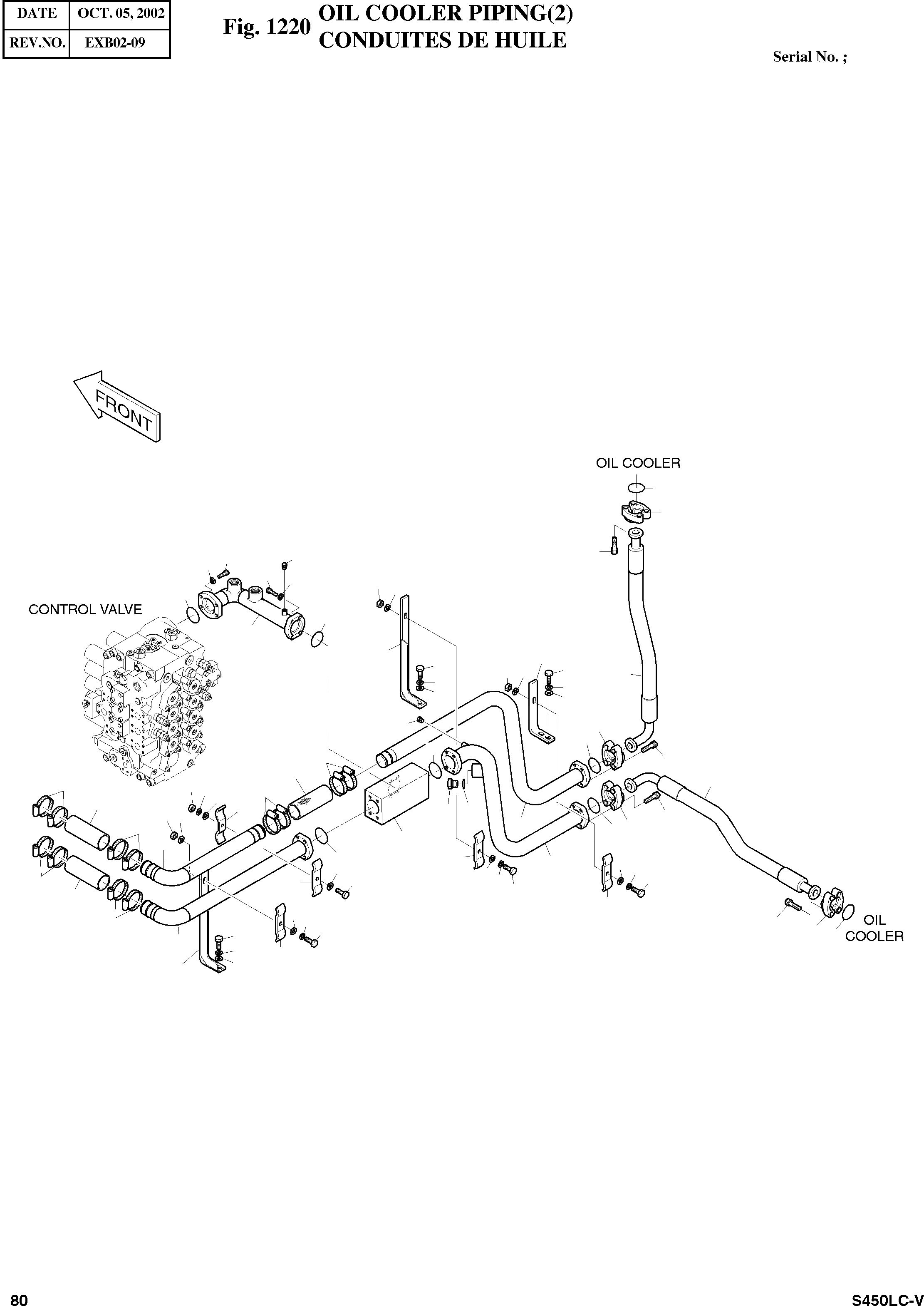
Запчасти Doosan Daewoo OIL COOLER PIPING(2) BODY PARTS

16
19
18
32
31
39
27
31
27
49
16
50
19
2
9
8
29
49
29
16
15
49
25
25
16
4
16
18
39
19
19
33
32
10
15
33
49
25
33
28
10
36
24
40
32
6
33
18
19
17
3
19
36
28
5
25
28
28
48
57
36
25
33
48
10
36
28
25
32
33
48
18
29
19
25
36
16
9
FIT
1:1
100%

Артикул

Название

Примечание

Количество

-

2400-2152B

OIL COOLER PIPING

SC: D

-2шт.

2

2140-1694A

PIPE

desc: TUYAU

1шт.

3

2140-1698

PIPE

desc: TUYAU

1шт.

4

140-00138

PIPE

desc: TUYAU

1шт.

5

2140-1695A

PIPE

desc: TUYAU

1шт.

6

2140-1696

PIPE

desc: TUYAU

1шт.

8

2891-1901

PLATE

desc: PLAQUE

1шт.

9

2891-1902B

PLATE

desc: PLAQUE

2шт.

10

2185-1776D1

HOSE 200L

desc: TUYAU FLEXIBLE

3шт.

15

2184-1100D207

HOSE 800L

desc: TUYAU FLEXIBLE

2шт.

16

2114-1058D30

WASHER;PLAIN M12

desc: RONDELLE

9шт.

17

2420-9591

VALVE;BY-PASS

desc: VANNE BYPASS

1шт.

18

4215-1003D6

FLANGE

desc: FLASQUE

8шт.

19

2180-1026D27

O-RING

desc: JOINT TORIQUE

7шт.

24

S8000291

O-RING

desc: JOINT TORIQUE

1шт.

25

S5102703

WASHER;SPRING M12

SERIAL: 1001-1036

9шт.

25

S5102703

WASHER;SPRING M12

SERIAL: 1037

10шт.

27

S5110701

WASHER;SPRING M12

SERIAL: 1001-1064

16шт.

27

S5110703

WASHER;SPRING M12

SERIAL: 1065

16шт.

28

S5010713

WASHER;PLAIN M12

SERIAL: 1001-1036

3шт.

28

S5010713

WASHER;PLAIN M12

SERIAL: 1037

5шт.

29

S0515453

BOLT M12X1.75X40

desc: BOULON

6шт.

31

S2215461

BOLT;SOCKET M12X1.75X40

SERIAL: 1001-1064

16шт.

31

S2215466

BOLT;SOCKET M12X1.75X40

SERIAL: 1065

16шт.

32

S2215361

BOLT;SOCKET M12X1.75X35

SERIAL: 1001-1064

16шт.

32

S2215366

BOLT;SOCKET M12X1.75X35

SERIAL: 1065

16шт.

33

S8450066

CLAMP;HOSE

desc: COLLIER

12шт.

36

2124-1340D15

CLAMP;PIPE

SERIAL: 1001-1036

3шт.

36

2124-1340D15

CLAMP;PIPE

SERIAL: 1037

5шт.

39

2181-2047A

PLUG

desc: BOUCHON

2шт.

40

2181-1950D9

PLUG

desc: BOUCHON

1шт.

48

S0561553

BOLT M12X1.75X90

desc: BOULON A 6 PANS

3шт.

49

S4012733

NUT M12X1.75

SERIAL: 1001-1036

3шт.

49

S4012733

NUT M12X1.75

SERIAL: 1037

4шт.

50

2180-1026D31

O-RING

desc: JOINT TORIQUE

1шт.

57

S0561153

BOLT M12X1.75X70

SERIAL: 1037

1шт.

Выбрано товаров: 36