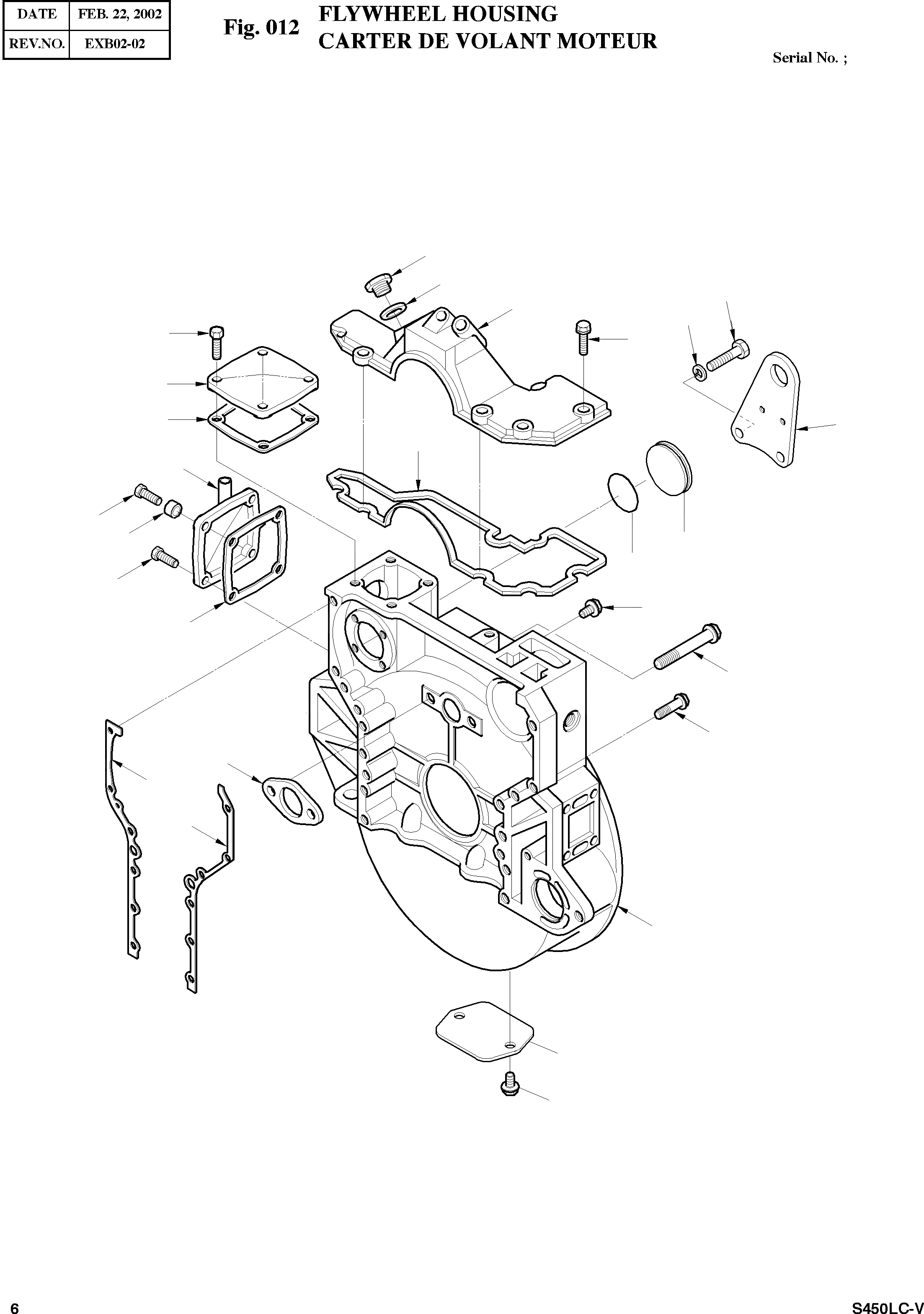
Запчасти Doosan Daewoo FLYWHEEL HOUSING ENGINE PARTS

124
125
144
128
145
120
123
119
118
143
127
114
117
137
116
138
115
112
113
122
121
111
109
110
101
131
132
FIT
1:1
100%

Артикул

Название

Примечание

Количество

101

65.01401-5017D

HOUSING;FLY WHEEL

SERIAL: 010910

1шт.

101

65.01401-5006

HOUSING;FLY WHEEL

SERIAL: 010911

1шт.

109

65.01903A0200

GASKET;FLYWHEEL HOUSING

desc: JOINT

1шт.

110

65.01903A0201

GASKET;FLYWHEEL HOUSING

desc: JOINT

1шт.

111

65.90720-0109

WASHER;THRUST

desc: RONDELLE DE BUTEE

1шт.

112

65.90020-0065

BOLT;HEX

desc: BOULON A 6 PANS

2шт.

113

65.54901-0022

GASKET

desc: JOINT

1шт.

114

65.01402-5003C

COVER;AIR COMP HOLE

desc: COUVERCLE

1шт.

115

06.01913-3115

BOLT ASS'Y M8X25

desc: BOULON A 6 PANS

3шт.

116

65.91701-0031

SPACER

desc: BAGUE D'ECARTEMENT

1шт.

117

06.01923-3118

BOLT ASS'Y M8X35

desc: BOULON 6 PANS

1шт.

118

65.01903-0155

GASKET;F.W.H SIDE COVER

desc: JOINT

1шт.

119

65.01402-0033A

COVER;AIR COMP. HOLE

desc: COUVERCLE

1шт.

120

06.01923-3117

BOLT ASS'Y M8X30

desc: BOULON 6 PANS

4шт.

121

65.90020-0223

BOLT;FLYWHEEL HOUSING

desc: BOULON A 6 PANS

10шт.

122

65.90020-0183B

BOLT;HEX

desc: BOULON A 6 PANS

2шт.

123

06.01923-3117

BOLT ASS'Y M8X30

desc: BOULON 6 PANS

7шт.

124

65.90310-0133

SCREW;PLUG

desc: VIS

1шт.

125

65.96507-0040A

RING;SEAL

desc: BAGUE

1шт.

127

65.01903-0216

GASKET;FLYWHEEL HOUSING COVER

desc: JOINT

1шт.

128

65.01402-5004C

COVER;FLYWHEEL HOUSING

desc: COUVERCLE

1шт.

131

65.01414-0004A

COVER;TIMING POINT HOLE

desc: COUVERCLE

1шт.

132

06.01923-3110

BOLT ASS'Y M8X12

desc: BOULON A 6 PANS

2шт.

137

65.01402-0008

COVER

desc: COUVERCLE

1шт.

138

65.96501-0260A

O-RING

desc: JOINT TORIQUE

1шт.

143

65.19202-0063

HOOK;LIFTING(REAR)

desc: CROCHET

1шт.

144

06.01283-7520

BOLT;HEX. M16X45

desc: BOULON A 6 PANS

2шт.

145

06.16731-2111

WASHER;SPRING

desc: RONDELLE

2шт.

Выбрано товаров: 28