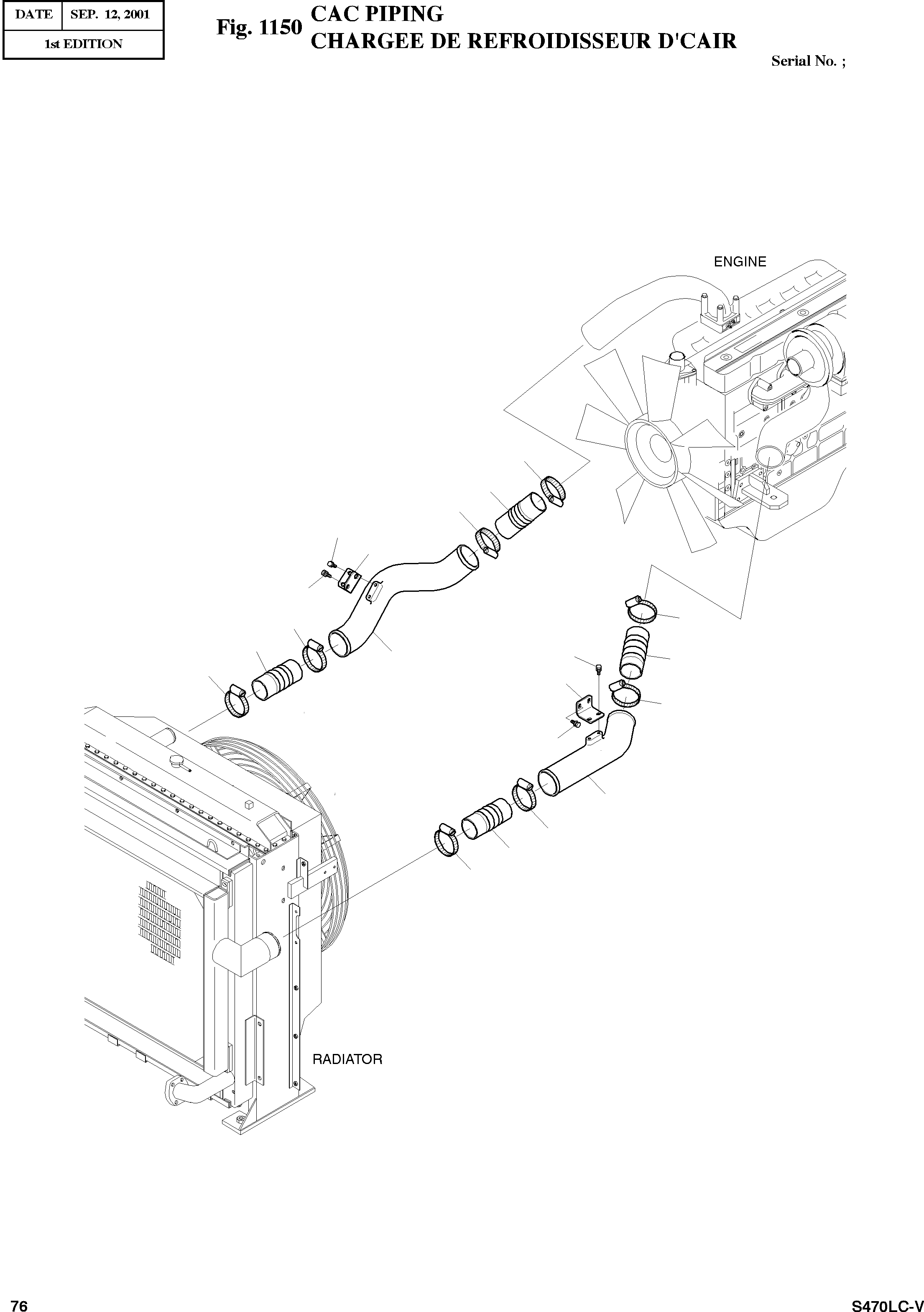
Запчасти Doosan Daewoo CAC PIPING BODY PARTS

6
3
6
7
5
7
6
6
3
7
2
3
6
4
6
7
6
3
6
1
FIT
1:1
100%

Артикул

Название

Примечание

Количество

-

201-00087

CAC PIPING ASS'Y

SC: D

-2шт.

1

140-00892

PIPE;AIR

desc: CONDUITE

1шт.

2

140-00893A

PIPE

desc: CONDUITE

1шт.

3

185-00263

HOSE;CAC

desc: TUYAU FLEXIBLE

4шт.

4

195-01620

BRACKET

desc: SUPPORT

1шт.

5

195-01621B

BRACKET

desc: SUPPORT

1шт.

6

124-00137

CLAMP

desc: COLLIER

8шт.

7

2120-2196D2

BOLT M10X1.5X25

desc: BOULON A 6PANS

8шт.

Выбрано товаров: 8