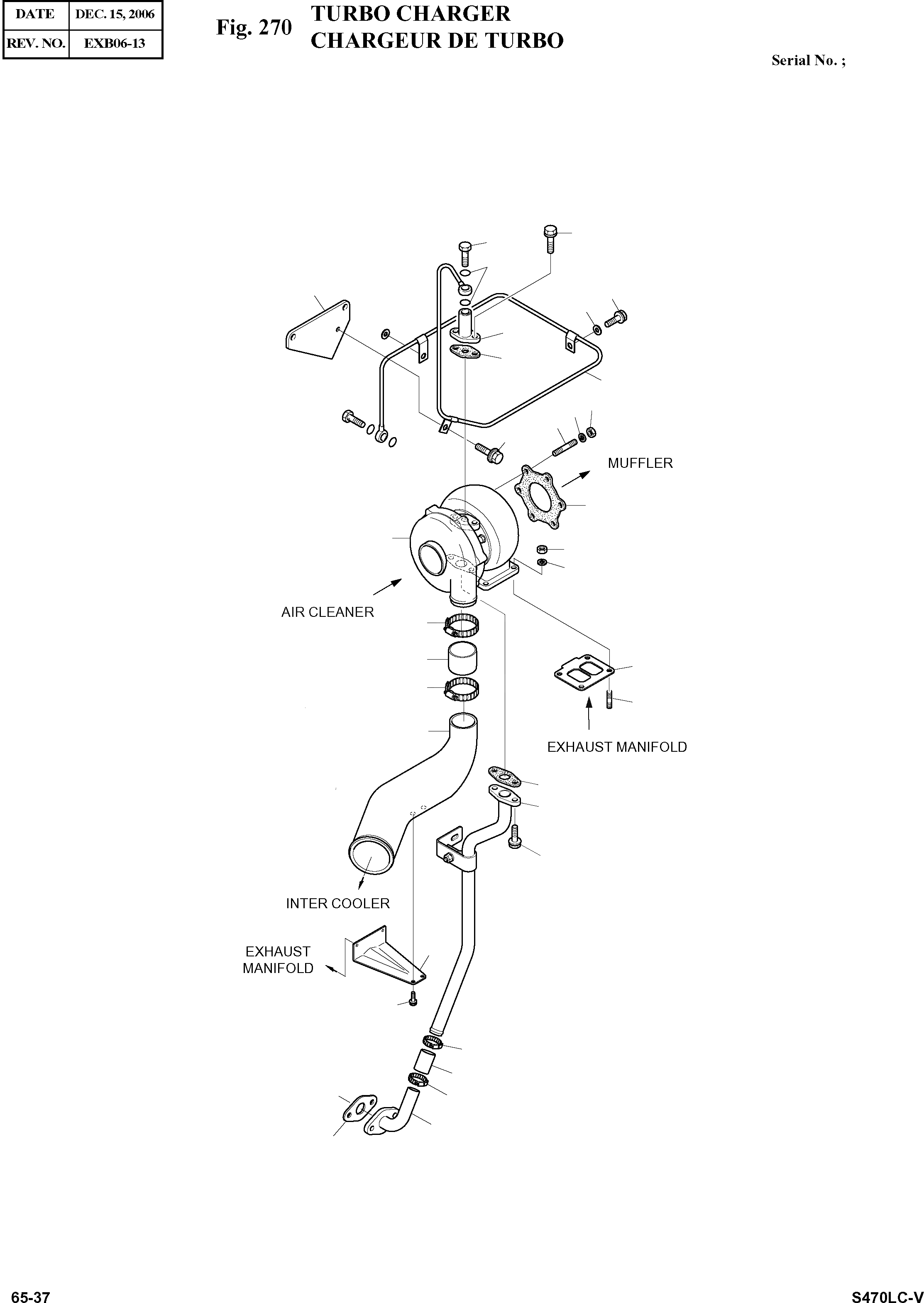
Запчасти Doosan Daewoo TURBO CHARGER ENGINE PARTS

22
23
24
18
11
12
20
21
10
9
8
6
19
7
1
5
4
32
31
2
32
3
30
17
13
15
33
34
26
25
26
16
14
FIT
1:1
100%

Артикул

Название

Примечание

Количество

1

65.09100-7073

TURBO CHARGER ASS'Y

desc: CHARGEUR DE TURBO

1шт.

2

65.09901-0025

GASKET;TURBO CHARGER

SERIAL: 040305

1шт.

2

65.09901-0033

GASKET;TURBO CHARGER

SERIAL: 040306

1шт.

3

06.06226-0808

BOLT;STUD M10X30

SERIAL: 030115

4шт.

3

65.90201-0076

BOLT;STUD M10X30

SERIAL: 030116

4шт.

4

06.16731-2108

WASHER;SPRING

desc: RONDELLE

4шт.

5

06.11063-8215

NUT;HEX. M10

SERIAL: 030115

4шт.

5

65.90535-0001

NUT;HEX. M10

SERIAL: 030116

4шт.

6

65.90201-0181

BOLT;STUD

desc: BOULON DE PLOT

6шт.

7

65.08901-0063

GASKET

desc: GARNITURE

1шт.

8

06.16731-2108

WASHER;SPRING

desc: RONDELLE

6шт.

9

06.11063-8215

NUT;HEX. M10

desc: ECROU

6шт.

10

65.05701-5661

PIPE;OIL

desc: TUYAU D'HUILE

1шт.

11

06.01943-3317

BOLT ASS'Y M12X1.5X30

desc: BOULON A 6PANS

2шт.

12

06.15010-2313

WASHER;PLAIN

desc: RONDELLE

2шт.

13

65.05701-5442

PIPE;OIL

desc: TUYAU D'HUILE

1шт.

14

65.96601-0045A

GASKET;TURBO CHARGER OIL RETURN

SERIAL: 060530

1шт.

14

65.96601-0067

GASKET;TURBO CHARGER OIL RETURN

SERIAL: 060531

1шт.

15

06.01913-3114

BOLT ASS'Y M8X22

desc: BOULON A 6PANS

2шт.

16

65.05701-5443

PIPE;OIL

desc: TUYAU D'HUILE

1шт.

17

65.96601-0012

GASKET;TURBO CHARGER OIL RETURN

desc: GARNITURE

1шт.

18

65.05740-5002

BRACKET;OIL PIPE

desc: SUPPORT

1шт.

19

06.01923-3114

BOLT ASS'Y M8X22

desc: BOULON A 6PANS

1шт.

20

65.98131-5008

FLANGE;ADAPTER

desc: BRIDE

1шт.

21

65.96601-0046A

GASKET;OIL PIPE ADAPTR

SERIAL: 060530

1шт.

21

65.96601-0046B

GASKET;OIL PIPE ADAPTR

SERIAL: 060531

1шт.

22

06.01913-3113

BOLT ASS'Y M8X20

desc: BOULON A 6PANS

2шт.

23

06.78144-2403

SCREW;HOLLOW M12X1.5

desc: VIS CREUSE

1шт.

24

06.56180-0714

RING;SEAL

desc: BAGUE D'ETANCHEITE

2шт.

25

65.96301-0327

HOSE;RUBBER

SERIAL: 040226

1шт.

25

65.96301-0327A

HOSE;RUBBER

SERIAL: 040227

1шт.

26

06.67020-0106

CLAMP;HOSE

desc: COLLIER DE LA CONDUITE

2шт.

30

65.09411-5051

INLET

desc: ADMISSION

1шт.

31

65.96301-0268

HOSE

desc: TUYAU FLEXIBLE

1шт.

32

06.67020-0112

CLAMP;HOSE

desc: COLLIER DE LA CONDUITE

2шт.

33

65.09440-0007

BRACKET

desc: SUPPORT

1шт.

34

06.01923-3215

BOLT ASS'Y M10X25

desc: BOULON A 6PANS

2шт.

Выбрано товаров: 37