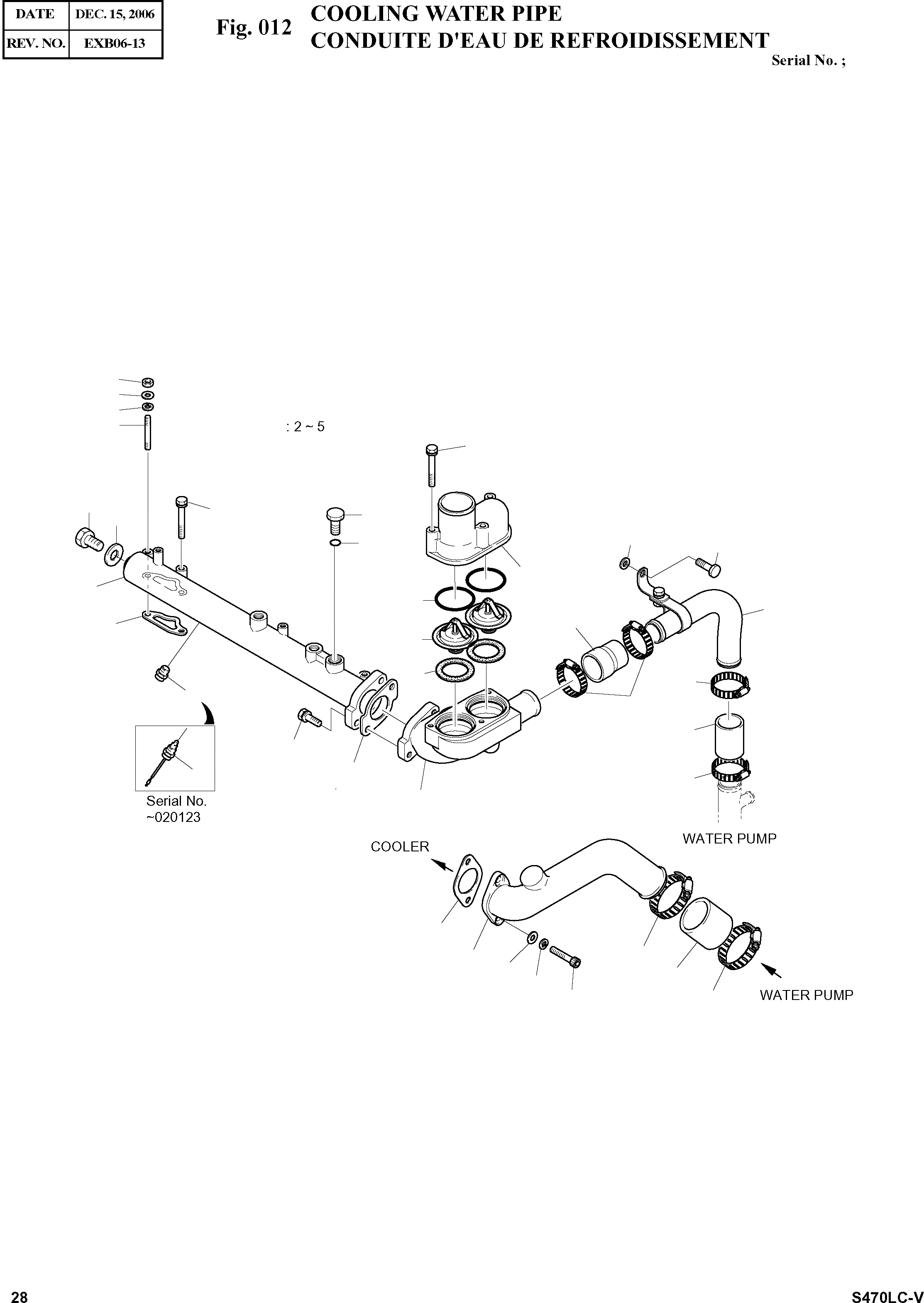
Запчасти Doosan Daewoo COOLING WATER PIPE ENGINE PARTS

9
10
11
8
1
16
13
7
31
14
22
32
23
15
2
41
17
18
6
40
42
21
12
19
20
5
4
12
21
3
25
30
24
28
29
27
30
26
FIT
1:1
100%

Артикул

Название

Примечание

Количество

1

65.06301-6054A

COOLING WATER PIPE ASS'Y

SERIAL: 040827

1шт.

1

65.06301-6084

COOLING WATER PIPE ASS'Y

SERIAL: 040828

1шт.

2

65.06301-0671A

PIPE;COOLING WATER

SERIAL: 040827

1шт.

2

65.06301-0240

PIPE;COOLING WATER

SERIAL: 040828

1шт.

3

65.06404-0021B

HOUSING;THERMOSTAT

desc: . CARTER

1шт.

4

65.06903-0021

GASKET(C/W PIPE-W/P)

desc: . RONDELLE DE BUTEE(BAS) STD

1шт.

5

06.01923-3218

BOLT ASS'Y M10X35

desc: . BOULON A 6PANS

2шт.

6

65.06903-0018

GASKET(COOLING WTR PIP

SERIAL: 040827

2шт.

6

65.06903-0028

GASKET(COOLING WTR PIP

SERIAL: 040828

2шт.

7

06.01923-3124

BOLT ASS'Y M8X65

desc: BOULON A 6PANS

2шт.

8

65.90201-0064

BOLT;STUD M8X60

desc: BOULON DE PLOT

2шт.

9

06.11063-8214

NUT;HEX M8

desc: ECROU

2шт.

10

06.16731-2107

WASHER;SPRING

desc: RONDELLE ELASTIQUE

2шт.

11

06.15010-2311

WASHER

desc: RONDELLE

2шт.

12

65.27435-6003

SWITCH;WATER TEMP

SERIAL: 020123

1шт.

12

65.90320-0019

PLUG;SCREW

SERIAL: 020124

1шт.

13

06.08092-2405

PLUG;SCREW M16X1.5

desc: BOUCHON A VIS

1шт.

14

06.56190-0709

RING;SEAL RING A16X22

desc: BAGUE D'ETANCHEITE

1шт.

15

65.06405-0018A

PIPE;WATER OUTLET

desc: COUVERCLE

1шт.

16

06.01923-3124

BOLT ASS'Y M8X65

desc: BOULON A 6PANS

3шт.

17

65.06301-6037B

PIPE;BY-PASS

desc: CONDUITE

1шт.

18

65.96301-0204B

HOSE;RUBBER

desc: TUYAU

1шт.

19

06.67020-0108

CLAMP;HOSE

desc: COLLIER

2шт.

20

04.27405-1506

HOSE;RUBBER

desc: TUYAU

1шт.

21

06.67020-0108

CLAMP;HOSE

desc: COLLIER

2шт.

22

65.90710-0019

WASHER

desc: RONDELLE

1шт.

23

06.01923-3218

BOLT ASS'Y M10X35

desc: BOULON A 6PANS

1шт.

24

65.06301-0675

PIPE

desc: CONDUITE

1шт.

25

65.06903-0020

GASKET

SERIAL: 061023

1шт.

25

65.06903-0020A

GASKET

SERIAL: 061024

1шт.

26

06.02090-0513

BOLT;SOCKET HEAD

desc: BOULON A 6PANS

2шт.

27

06.16731-2108

WASHER;SPRING

desc: RONDELLE

2шт.

28

06.15010-2312

WASHER;PLAIN

desc: RONDELLE

2шт.

29

65.96301-0205A

HOSE;RUBBER

desc: TUYAU

1шт.

30

06.67020-0109

CLAMP;HOSE

desc: COLLIER

2шт.

31

65.90310-0149A

SCREW;PLUG M26X1.5

desc: VIS

1шт.

32

06.56190-0728

RING;SEAL

desc: BAGUE D'ETANCHEITE

1шт.

40

51.06402-0062

THERMOSTAT

desc: THERMOSTAT

2шт.

41

06.56342-1208

O-RING

desc: JONT TORIQUE

2шт.

42

65.06901A0069

GASKET

desc: JOINT

2шт.

Выбрано товаров: 40