Запчасти Doosan Daewoo AIRCONDITIONER(2)-AIRCON UNIT BODY PARTS

31E
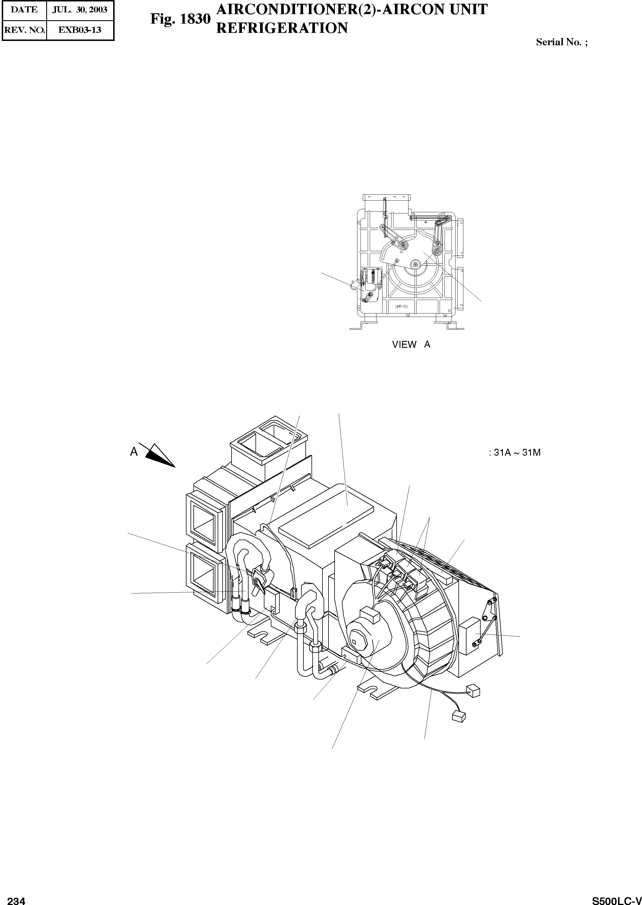
31I
31
31H
31L
31F
31K
31B
31A
31J
31E
31G
31C
31D
31
31M
FIT
1:1
100%

Артикул

Название

Примечание

Количество

-

920-00069

COOLER & HEATER

SC: D

-2шт.

31

920-00020B

UNIT;AIRCON

desc: CLE A MOLETTE

1шт.

31A

2538-6015

MOTOR;BLOWER 24V

desc: . MOTEUR

1шт.

31B

545-00003

RESISTOR;BLOWER

desc: . RESISTOR

1шт.

31C

2544-6023

RELAY 10A

desc: . RELAIS DEMARREUR

2шт.

31D

2544-6024

RELAY 20A

desc: . RELAIS DEMARREUR

1шт.

31E

2538-6016

MOTOR;INTAKE 24V

desc: . MOTEUR

2шт.

31F

2538-6017

MOTOR;MIX 12V

desc: . MOTEUR

1шт.

31G

2471-6050A

FILTER;AIRCON

desc: . FILTRE

1шт.

31H

2426-6048

VALVE;STEM

desc: . VANNE

1шт.

31I

2547-6033

SENSOR;TEMPERATURE

desc: . CAPTEUR REGIME

1шт.

31J

2530-6005A

HARNESS;AIRCON UNIT

desc: . FAISCEAU

1шт.

31K

2920-6111

EVAPORATOR

desc: . CHAUFFAGE

1шт.

31L

2920-6112

HEATER CORE

desc: . CHAUFFAGE

1шт.

31M

133-00161

MAIN LEVER

desc: . LEVIER

1шт.

Выбрано товаров: 15