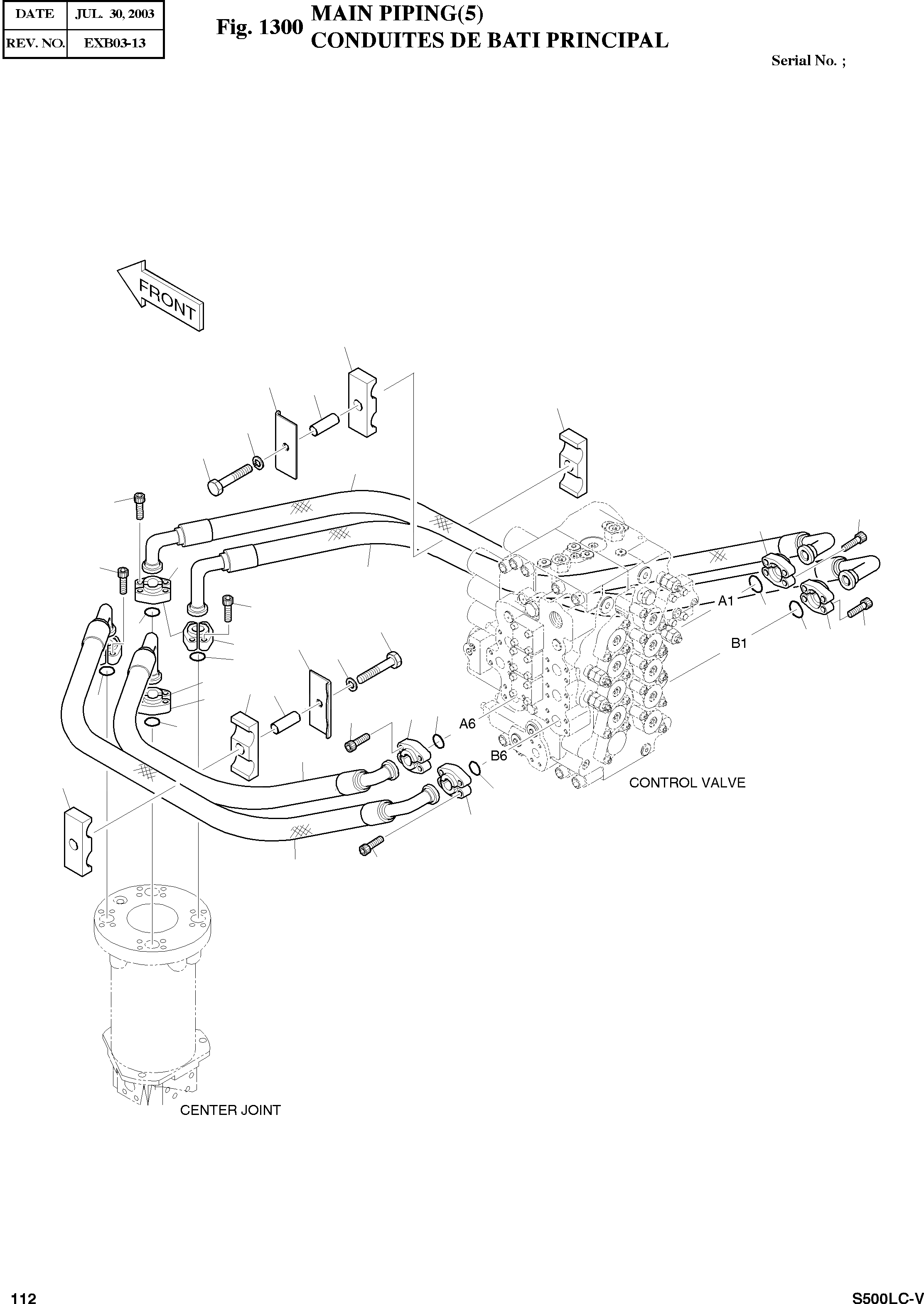
Запчасти Doosan Daewoo MAIN PIPING(5) BODY PARTS

44
43
45
44
47
46
33
14
14
15
15
14
34
14
12
46
12
14
12
15
43
16
15
47
12
16
44
45
15
12
12
15
14
12
32
44
12
15
14
31
FIT
1:1
100%

Артикул

Название

Примечание

Количество

-

400-00705

MAIN PIPING

SC: D

-2шт.

12

2180-1026D19

O-RING

desc: JONT TORIQUE

8шт.

14

S2215466

BOLT;SOCKET M12X1.75X40

desc: BOULON A 6 PANS CREUX

32шт.

15

2181-9081

FLANGE;SPLIT

desc: BRIDE

12шт.

16

2181-9084A

FLANGE;SPLIT

desc: FLASQUE EN DEUX PARTIES

4шт.

31

DS2045239

HOSE

desc: TUYAU FLEXIBLE

1шт.

32

DS2045269

HOSE

desc: TUYAU FLEXIBLE

1шт.

33

DS2045234

HOSE

desc: TUYAU FLEXIBLE

1шт.

34

DS2045270

HOSE

desc: TUYAU FLEXIBLE

1шт.

43

2191-3705C

PLATE;CLAMP

desc: PLAQUE

2шт.

44

124-00247

CLAMP;HOSE

desc: COLLIER

4шт.

45

114-00456

SPACER

desc: BAGUE D'ECARTEMENT

2шт.

46

S0566053

BOLT M16X2.0X90

desc: BOULON A 6PANS

2шт.

47

S5102903

WASHER;SPRING

desc: RONDELLE ELASTIQUE

2шт.

Выбрано товаров: 14