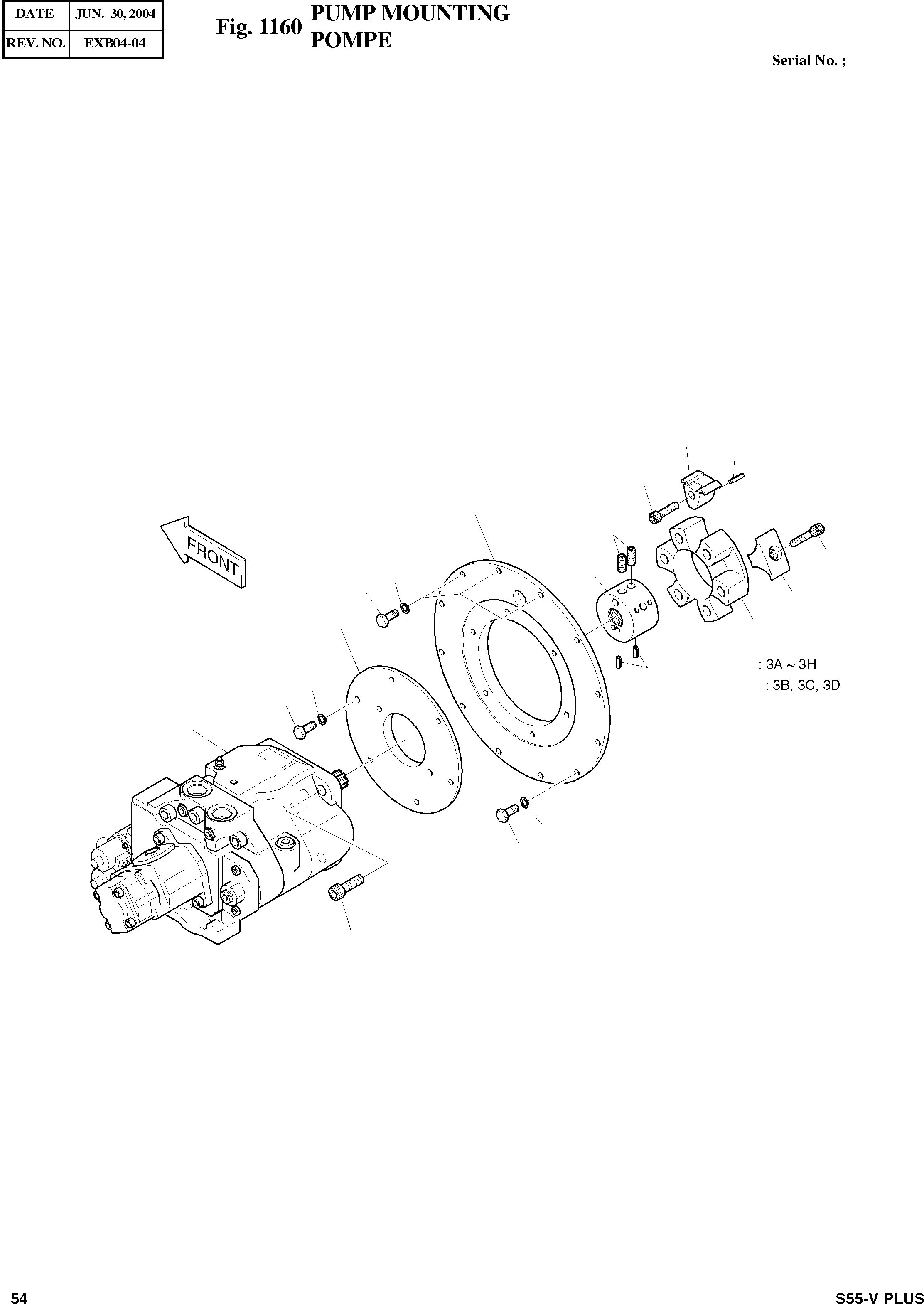
Запчасти Doosan Daewoo PUMP MOUNTING BODY PARTS

1
3J
3H
3C
3E
3F
3A
3G
3B
3D
3E
6
7
8
3
6
9
2
6
5
4
FIT
1:1
100%

Артикул

Название

Примечание

Количество

-

241-00028A

PUMP MOUNTING

SC: D

-2шт.

1

229-00010B

COVER;PUMP

desc: COUVERCLE

1шт.

2

401-00222

PUMP ASS'Y

desc: POMPE

1шт.

3

414-00045

COUPLING ASS'Y

SERIAL: 20001-31890

1шт.

3

414-00045A

COUPLING ASS'Y

SERIAL: 31891

1шт.

3A

-

HUB

SC: D

1шт.

3B

K9000415

ELEMENT

desc: . ELEMENT

1шт.

3C

-

INSERT(A)

SC: D

3шт.

3D

-

INSERT(R)

SC: D

3шт.

3E

K9000417

SOCKET BOLT SET(6EA)

desc: . BOULON DE PLOT

1шт.

3F

-

BOLT;CLAMPING M16X2.0X20

SC: D

2шт.

3G

-

PIN;SPRING D5X10

SC: D

6шт.

3H

-

PIN;SPRING D5X22

SC: D

3шт.

3J

K9000416

ELEMENT KIT

desc: . KIT DE ELEMENT

1шт.

4

S2215261

BOLT;SOCKET M12X1.75X30

desc: BOULON A 6PANS

2шт.

5

S0512253

BOLT M10X1.5X30

desc: BOULON A 6PANS

9шт.

6

S5102603

WASHER;SPRING M10

desc: RONDELLE ELASTIQUE

18шт.

7

S0512353

BOLT M10X1.5X35

desc: BOULON A 6PANS

3шт.

8

229-00016

COVER

desc: COUVERCLE

1шт.

9

S0511853

BOLT;M10X1.5X20

desc: BOULON A 6PANS

6шт.

Выбрано товаров: 20