Запчасти Doosan Daewoo GENERATOR ENGINE PARTS

10
12
13
9
1
11
8
7
3
2
5
6
4
FIT
1:1
100%

Артикул

Название

Примечание

Количество

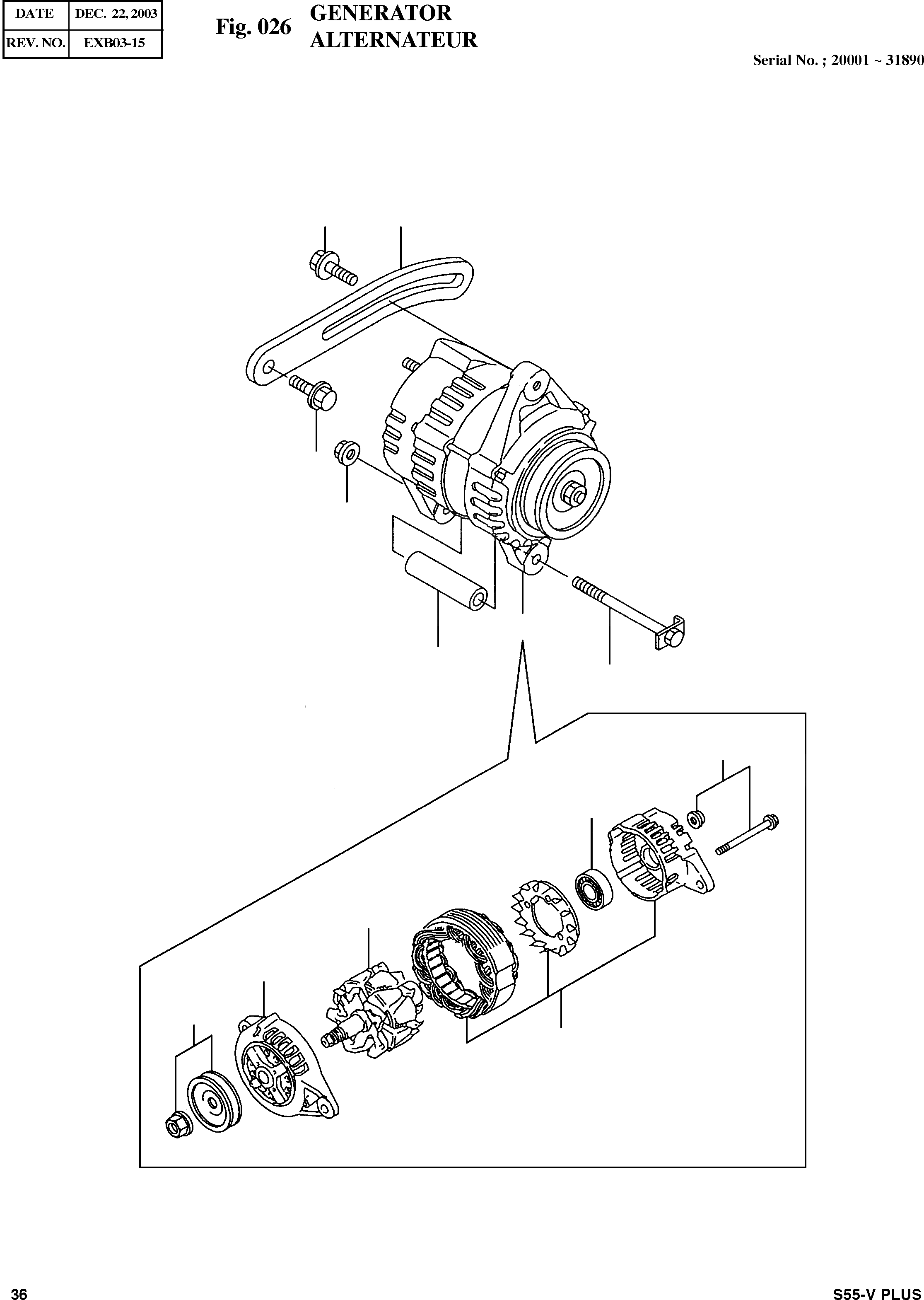
1

123900-77210

GENERATOR

desc: ALTERNATEUR

1шт.

2

123900-77700

ROTOR;GENERATOR

desc: . ROTOR

1шт.

3

129612-77710

BEARING;BALL

desc: . PALIER

1шт.

4

123900-77720

BRACKET ASS'Y;REAR

desc: . SUPPORT

1шт.

5

123900-77730

BRACKET;FRONT

desc: . SUPPORT

1шт.

6

123900-77740

PULLEY

desc: . POULIE

1шт.

7

123900-77750

SCREW;SET

desc: . VIS

1шт.

8

26116-101202

BOLT M8X110

desc: BOULON A 6 PANS

1шт.

9

26306-100002

NUT

desc: ECROU

1шт.

10

119810-77340

BOLT

desc: BOULON

1шт.

11

129470-77340

SPACER

desc: BAGUE D'ECARTEMENT

1шт.

12

129916-77300

BRACKET;AJUSTER

desc: SUPPORT

1шт.

13

26014-080252

BOLT M8X25

desc: BOULON A 6PANS

1шт.

Выбрано товаров: 13