Качественные детали и логистика
Оригинальные и аналоговые запчасти с доставкой по России, Казахстану и Беларуси
©2022 PartSell ООО "Система" ИНН 2463123282 ОГРН 1212400004838
Центральный офис: г. Красноярск, Академика Киренского, д.87, пом.4
Телефон: 8 (800) 777-65-74 Email: zakaz@partsell.ru
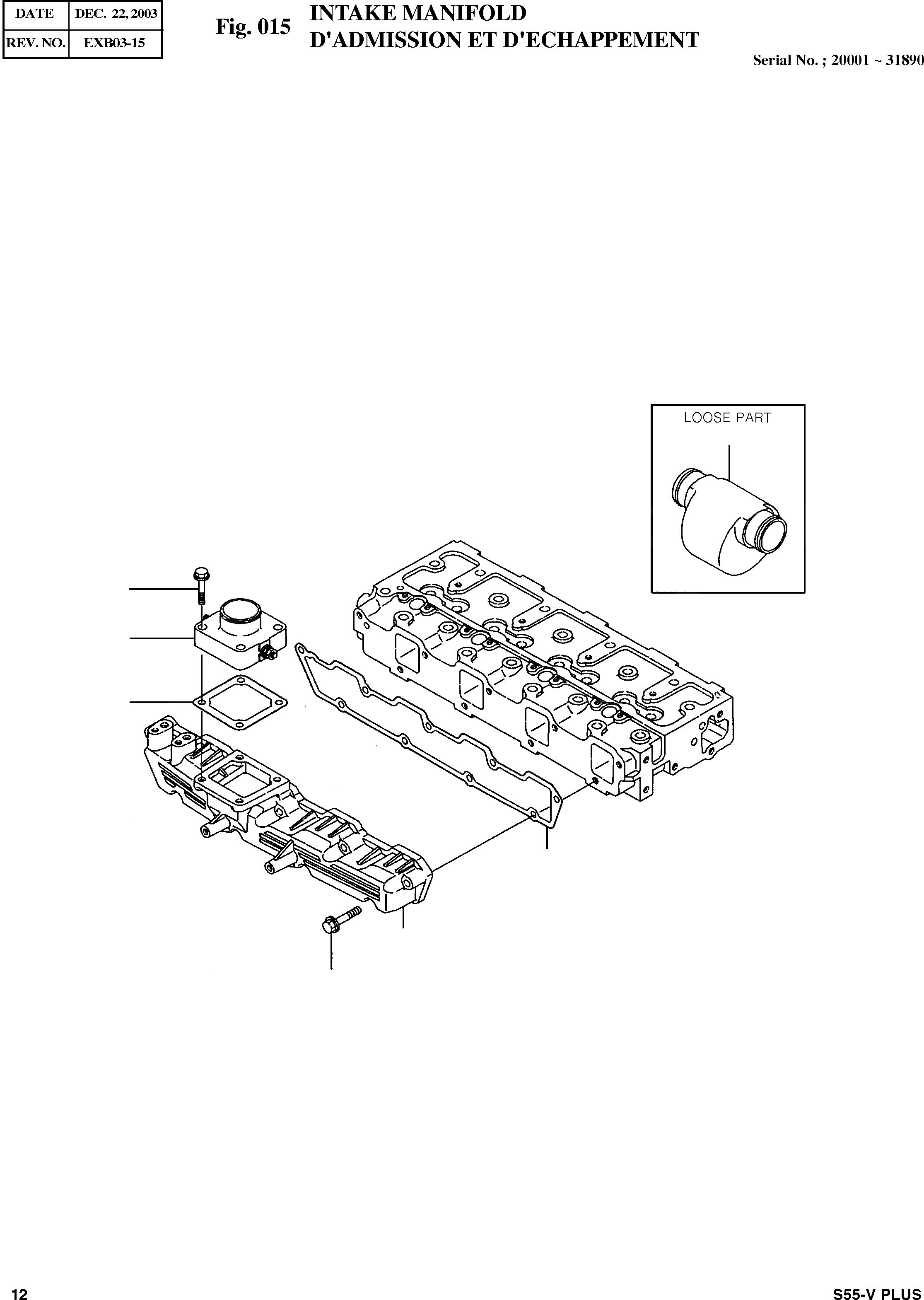
INTAKE MANIFOLD
№
Артикул
Название
Примечание
Количество
1
129900-12050
GASKET;INTAKE MANIFOLD
desc: JOINT
1шт.
2
129900-12100
MANIFOLD;INTAKE
desc: COLLECTEUR
3
26106-080452
BOLT;PLATED M8X45
desc: BOULON A 6PANS
9шт.
4
121850-77021
GASKET
5
129915-77050
HEATER;AIR
desc: RCHAUFFEUR
6
26106-080352
BOLT;PLATED M8X35
4шт.
7
119005-12060
SILENCER;INTAKE
desc: ENCEINTE D'INSONORISATION
Выбрано товаров: 0