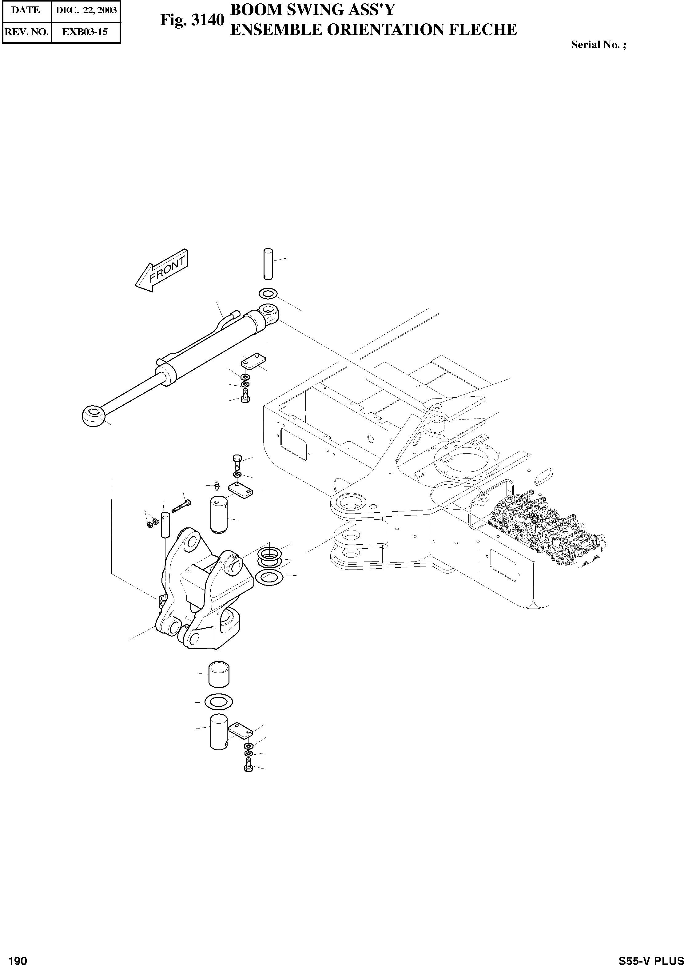
Запчасти Doosan Daewoo BOOM SWING ASSY FRONT PARTS

1B
14
10
22
15
18
17
16
4
5
19
12
8
11
13
2
21
20
7
1
7
8
3
6
5
4
FIT
1:1
100%

Артикул

Название

Примечание

Количество

-

707-00005A

BOOM SWING ASS'Y

SC: D

-2шт.

1

707-00004B

BRACKET;SWING

SERIAL: 20001-31620

1шт.

1

707-00004C

BRACKET;SWING

SERIAL: 31621-32179

1шт.

1

707-00004E

BRACKET;SWING

SERIAL: 32180

1шт.

1B

2110-1194B

BUSH

desc: . COUSSINET

1шт.

2

123-00400

PIN

desc: GOUPILLE

1шт.

3

2123-2335B

PIN

desc: BROCHE

1шт.

4

S0521353

BOLT M16X2.0X35

desc: BOULON A 6PANS

4шт.

5

S5102903

WASHER;SPRING M16

desc: RONDELLE ELASTIQUE

4шт.

6

S5010913

WASHER;PLAIN M16

desc: RONDELLE PLATE

2шт.

7

2114-1608

COLLER;THRUST

desc: BRIDE

2шт.

8

2116-1536A

PLATE;LOCK

SERIAL: 20001-32179

2шт.

8

2116-1536B

PLATE;LOCK

SERIAL: 32180

2шт.

10

440-00264

CYLINDER;BOOM SWING

SERIAL: 20001-31000

1шт.

10

440-00264A

CYLINDER;BOOM SWING

SERIAL: 31001-31620

1шт.

10

440-00264B

CYLINDER;BOOM SWING

SERIAL: 31621-32179

1шт.

10

440-00264C

CYLINDER;BOOM SWING

SERIAL: 32180

1шт.

11

123-00401A

PIN

desc: GOUPILLE

1шт.

12

S0561853

BOLT M12X1.75X105

desc: BOULON A 6PANS

1шт.

13

S4012733

NUT M12X1.75

desc: ECROU

2шт.

14

123-00396

PIN

desc: GOUPILLE

1шт.

15

621-01685

PLATE;LOCK

SERIAL: 20001-32179

1шт.

15

621-01685A

PLATE;LOCK

SERIAL: 32180

1шт.

16

S0512253

BOLT M10X1.5X30

desc: BOULON A 6PANS

2шт.

17

S5102603

WASHER;SPRING M10

desc: RONDELLE ELASTIQUE

2шт.

18

S5010613

WASHER;PLAIN M10

desc: RONDELLE PLATE

2шт.

19

S6710042

NIPPLE;GREASE

desc: GRAISSEUR

2шт.

20

2114-1059D116

SHIM

desc: CALE

1шт.

21

2114-1059D118

SHIM

desc: CALE

1шт.

22

2114-1059D48

SHIM

desc: CALE

1шт.

Выбрано товаров: 30