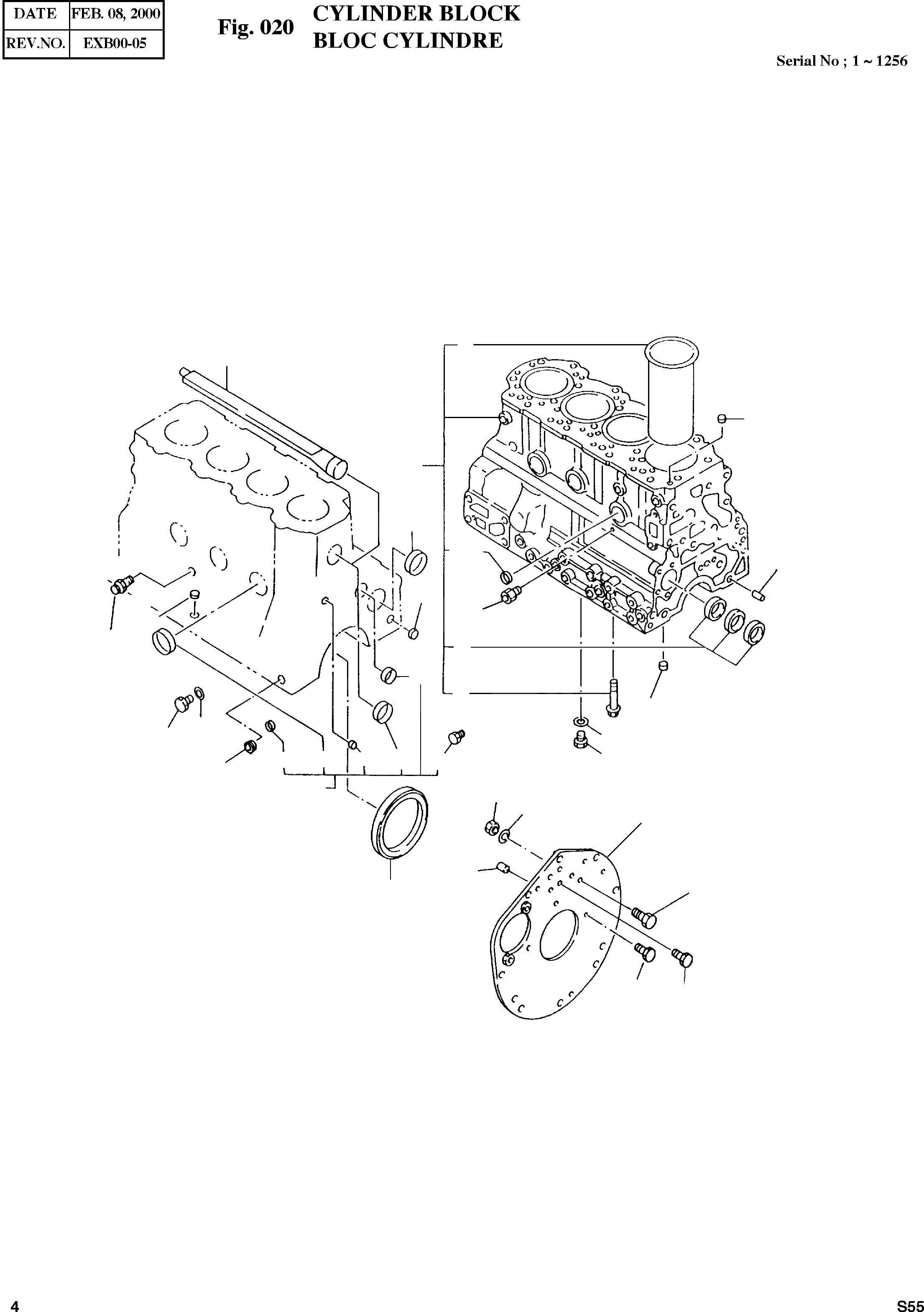
Запчасти Doosan Daewoo CYLINDER BLOCK ENGINE PARTS

6-5
2
7
24
1
8
6-3
6-4
25
10
18
11
50
4
6-1
6-2
3
23
14
13
17
16
6
40-2
43-1
43-2
5
12
1
48
49
38
41
21
45
FIT
1:1
100%

Артикул

Название

Примечание

Количество

1

894437-3976

BLOCK ASS'Y

desc: ENSEMBLE DE BLOC

1шт.

2

894247-8612

LINER;CYLINDER

desc: CHEMISE DE CYLINDRE

4шт.

2

897176-6830

LINER;CYL.(O.D=1 I.D=AX)

desc: CHEMISE DE CYLINDRE

-2шт.

2

897176-6840

LINER;CYL.(O.D=1 I.D=CX)

desc: CHEMISE DE CYLINDRE

-2шт.

2

897176-6850

LINER;CYL.(O.D=2 I.D=AX)

desc: CHEMISE DE CYLINDRE

-2шт.

2

897176-6860

LINER;CYL.(O.D=2 I.D=CX)

desc: CHEMISE DE CYLINDRE

-2шт.

2

897176-6870

LINER;CYL.(O.D=3 I.D=AX)

desc: CHEMISE DE CYLINDRE

-2шт.

2

897176-6880

LINER;CYL.(O.D=3 I.D=CX)

desc: CHEMISE DE CYLINDRE

-2шт.

2

897176-6890

LINER;CYL.(O.D=4 I.D=AX)

desc: CHEMISE DE CYLINDRE

-2шт.

2

897176-6900

LINER;CYL.(O.D=4 I.D=CX)

desc: CHEMISE DE CYLINDRE

-2шт.

3

894432-6420

BOLT;CYL

desc: BOULON A 6 PANS

10шт.

4

894427-1961

METAL KIT;CAM STD

desc: PALIER

1шт.

4

894427-1981

METAL KIT 0.50(UNDER SIZE)

desc: PALIER

1шт.

4

894427-2001

METAL KIT 1.00(UNDER SIZE)

desc: PALIER

1шт.

5

909664-0010

PLUG;DRAIN PT1/4

desc: BOUCHON

1шт.

6

511219-0180

CUP;SEALING D36

desc: COUPELLE

1шт.

6-1

511219-0170

CUP;SEALING D38

desc: COUPELLE

1шт.

6-2

511219-0080

CUP;SEALING D18

desc: COUPELLE

3шт.

6-3

109600-0051

CUP;SEALING D45

desc: COUPELLE

3шт.

6-4

509600-0130

CUP;SEALING D12

desc: COUPELLE

1шт.

6-5

511219-0150

CUP;SEALING D32

desc: COUPELLE

2шт.

7

894471-3581

WATER DUCT

desc: CONDUITES

1шт.

8

894250-5140

CUP;SEALING D56

desc: COUPELLE

1шт.

10

511129-0060

CUP;SEALING D16

desc: COUPELLE

2шт.

11

511129-0030

CUP;SEALING D15.6

desc: COUPELLE

1шт.

12

109605-0500

PLUG;TAPPER OIL GALLERY

desc: BOUCHON

2шт.

13

999202-3140

PLUG;OIL GALLERY

desc: BOUCHON

1шт.

14

909571-4140

PACKING;PLUG

desc: JOINT

1шт.

16

999202-3160

PLUG;SCREW OIL 12L

desc: BOUCHON

1шт.

17

909571-4160

PACKING;PLUG

desc: JOINT

1шт.

18

894130-0211

NIPPLE;INJ.PUMP OIL FEED

desc: GRAISSEUR

1шт.

21

894235-3690

SEAL;OIL CRANK REAR

desc: JOINT D'HUILE

1шт.

23

909878-5970

PIN;CYL.BLOCK TO CASE

desc: BROCHE

2шт.

24

894453-3440

DOWEL;CYL.BLOCK-HEAD

desc: DOWEL

2шт.

25

908151-0200

PIN;STRAIGHT FRONT

desc: BROCHE

2шт.

38

908151-0240

PIN;STRAIGHT REAR

desc: BROCHE

1шт.

40-2

894418-1553

PLATE;REAR

desc: PLAQUE

1шт.

41

989112-9110

BOLT;REAMER 40L

desc: BOULON A 6 PANS

1шт.

43-1

509000-2270

BOLT;REAR

desc: BOULON A 6 PANS

3шт.

43-2

050041-2300

BOLT;SEMS REAR

desc: BOULON A 6 PANS

2шт.

45

050041-0250

BOLT;SEMS REAR

desc: BOULON A 6 PANS

3шт.

48

909111-5100

NUT;REAMER BOLT

desc: ECROU

1шт.

49

909150-5100

WASHER;SPRING

desc: RONDELLE ELASTIQUE

1шт.

50

909664-0010

PLUG;DRAIN PT1/4

desc: BOUCHON

1шт.

Выбрано товаров: 44