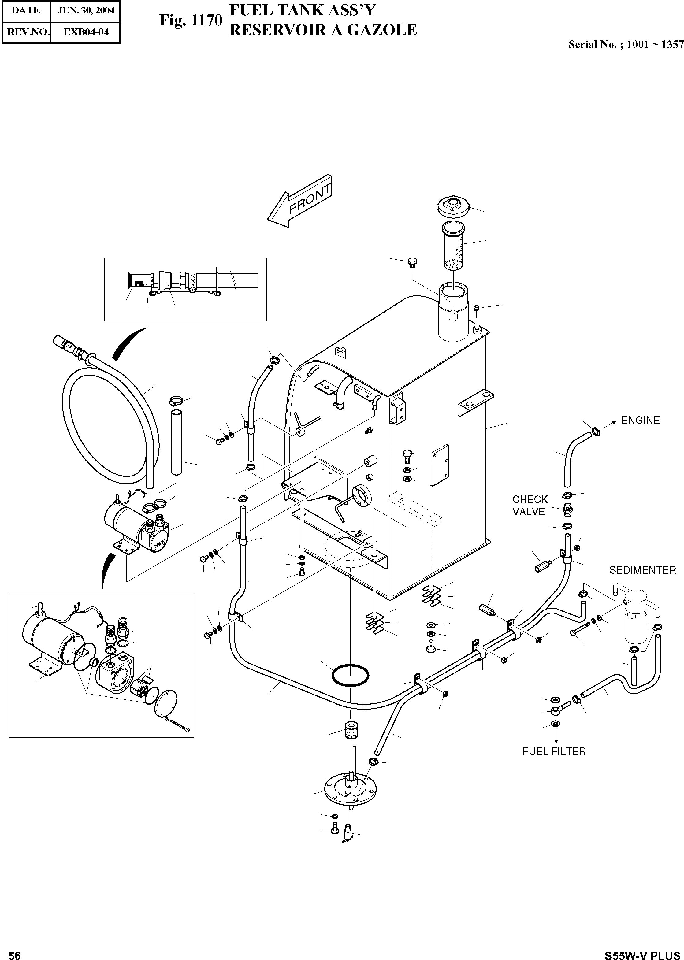
Запчасти Doosan Daewoo FUEL TANK ASSЎЇY BODY PARTS

24D
24C
24B
23A
23B
23D
23E
23C
23F
3
2
28
27
11
10
24
26
19
11
22
21
1
20
13
15
25
16
11
17
26
11
11
23
35
11
19
39
22
21
38
22
20
21
31
20
39
32
22
38
11
31
21
33
32
17
22
35
19
16
33
21
35
29
30
5
20
11
50
34
34
37
14
13
36
35
11
37
6
12
11
4
9
8
7
FIT
1:1
100%

Артикул

Название

Примечание

Количество

-

470-00162

FUEL TANK ASS'Y

SERIAL: 1001-1357

-2шт.

1

470-00119A

TANK;FUEL

desc: RESERVOIR DE CARBURANT

1шт.

2

2471-9010A

FILTER;FUEL

desc: FILTRE

1шт.

3

2188-9006A

CAP;FUEL

SERIAL: 1001-1239

1шт.

3

188-00019

CAP;FUEL

SERIAL: 1240

1шт.

4

2473-1050B

COVER

desc: COUVERCLE

1шт.

5

S8011050

O-RING

desc: JOINT TORIQUE

1шт.

6

2471-1004B

FILTER

desc: FILTRE

1шт.

7

2186-9001

COCK

desc: ROBINET

1шт.

8

S0512053

BOLT

desc: BOULON A 6 PANS

6шт.

9

S5102603

WASHER;SPRING M10

desc: RONDELLE ELASTIQUE

6шт.

10

185-00376

GAUGE;LEVEL

desc: INDICATEUR DE NIVEAU

1шт.

11

2124-1024D1

CLAMP;HOSE

desc: COLLIER

11шт.

12

2185-1247D132

HOSE

desc: TUYAU FLEXIBLE

1шт.

13

2185-1247D19

HOSE;FUEL

desc: TUYAU FLEXIBLE

2шт.

14

2185-1247D150

HOSE

desc: TUYAU FLEXIBLE

1шт.

15

S0515253

BOLT

desc: BOULON A 6 PANS

2шт.

16

S5102703

WASHER;SPRING M12

desc: RONDELLE ELASTIQUE

4шт.

17

2114-1058D54

WASHER M12

desc: RONDELLE

4шт.

19

2124-1353D3

CLIP

desc: ATTACHE

3шт.

20

S0508653

BOLT M8X1.25X16

desc: BOULON A 6 PANS

7шт.

21

S5102503

WASHER;SPRING M8

desc: RONDELLE ELASTIQUE

8шт.

22

S5010513

WASHER;PLAIN M8

desc: RONDELLE PLATE

8шт.

23

2401-1276A

PUMP;FUEL TRANSFER

desc: POMPE A GAZOLE

1шт.

23A

2181-2755B

ADAPTER

desc: . ADAPTEUR

2шт.

23B

S8180321

SEAL;WASHER

desc: . BAGUE D'ETANCHEITE

2шт.

23C

523-00001

MOTOR;FUEL TRANSFER

desc: . MOTEUR

1шт.

23D

407-00001

VANE KIT

desc: . KIT DE VANE

1шт.

23E

2401-1276KT

SEAL KIT

desc: . KIT D'ETANCHEITE

1шт.

23F

2549-9096

SWITCH

desc: . INTERUPTEUR

1шт.

24

185-00167D4

HOSE ASS'Y

desc: TUYAU FLEXIBLE

1шт.

24B

2420-1258

VALVE;CHECK

desc: . CARTOUCHE DE VANNE

1шт.

24C

2471-1152

STRAINER

desc: . FILTRE

1шт.

24D

2160-1336

CAP;STRAINER

desc: . BOUCHON

1шт.

25

2185-1247D143

HOSE

desc: TUYAU FLEXIBLE

1шт.

26

2124-1024D6

BAND 3

desc: COLLIER

3шт.

27

2181-1116D2

PLUG 1/4X1/4

desc: BOUCHON

1шт.

28

S0514653

BOLT M12X1.75X16

desc: BOULON A 6 PANS

1шт.

29

S0560453

BOLT M12X1.75X35

desc: BOULON A 6 PANS

2шт.

30

S0556853

BOLT M8X1.25X75

desc: BOULON A 6 PANS

1шт.

31

2114-1802

SHIM T=1.0

desc: CALE

4шт.

32

2114-1803

SHIM T=0.6

desc: CALE

4шт.

33

2114-1804

SHIM

desc: CALE

4шт.

34

2124-1353D7

CLIP

desc: ATTACHE

3шт.

35

2121-1305

NUT

desc: ECROU

5шт.

36

2181-9015

PIPE;FUEL

desc: CANALISATION DE GAZOLE

1шт.

37

S8180221

PACKING

desc: RONDELLE D'ETANCHEITE

2шт.

38

124-00209D1

CLIP

desc: ATTACHE

2шт.

39

2120-2187

BOLT;STUD M8X1.25X12

desc: BOULON A 6 PANS

2шт.

50

2185-1247D151

HOSE

desc: TUYAU FLEXIBLE

1шт.

Выбрано товаров: 50