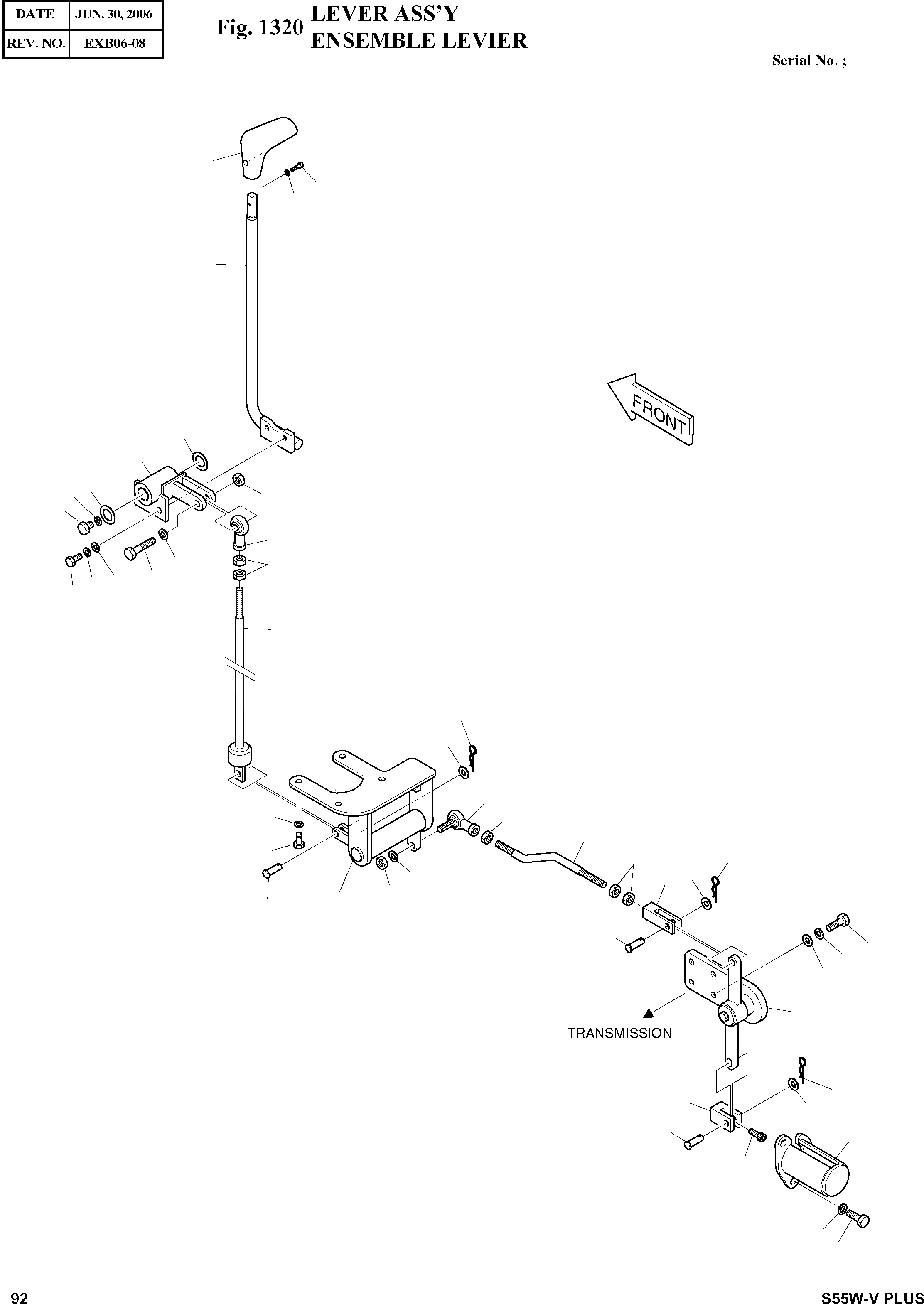
Запчасти Doosan Daewoo LEVER ASSЎЇY BODY PARTS

1
13
15
2
3
4
3
31
14
28
6
4
14
32
19
29
5
7
11
10
12
14
19
17
18
11
27
10
20
16
30
8
9
9
21
16
10
22
11
24
10
23
26
25
16
21
FIT
1:1
100%

Артикул

Название

Примечание

Количество

-

133-00181A

LEVER ASS'Y

SC: D

-2шт.

1

2132-1133B

GRIP

desc: POIGNEE

1шт.

2

133-00173A

LEVER;MISSION

SERIAL: 1001-1839

1шт.

2

133-00173B

LEVER;MISSION

SERIAL: 1840

1шт.

3

2114-1059D31

SHIM

desc: CALE

2шт.

4

133-00178A

LEVER

desc: LEVIER

1шт.

5

S0508853

BOLT

desc: BOULON A 6 PANS

2шт.

6

138-00003

END;ROD

desc: TIGE

1шт.

7

136-00051A

ROD;ASS'Y

desc: TIGE

1шт.

8

133-00068B

LEVER ASS'Y

desc: LEVIER

1шт.

9

2123-1057D11

PIN;JOINT

desc: BROCHE

2шт.

10

S5010613

WASHER;PLAIN

desc: RONDELLE PLATE

7шт.

11

2123-1441D4

PIN

desc: BROCHE

3шт.

12

2138-9017

BALL;LINK

desc: BILLE

1шт.

13

S2201766

BOLT

desc: BOULON A 6 PANS

1шт.

14

S4012633

NUT

desc: ECROU

4шт.

15

S5000113

WASHER;PLAIN

desc: RONDELLE PLATE

1шт.

16

S5102603

WASHER;SPRING M10

desc: RONDELLE ELASTIQUE

8шт.

17

136-00015A

ROD

desc: TIGE

1шт.

18

S0508753

BOLT

desc: BOULON A 6 PANS

4шт.

19

S5102503

WASHER;SPRING M8

desc: RONDELLE ELASTIQUE

6шт.

20

2135-1008D8

END;FORK

desc: FOURCHE

1шт.

21

S0558153

BOLT M10X1.5X30

desc: BOULON A 6 PANS

6шт.

22

133-00069A

LEVER ASS'Y

desc: LEVIER

1шт.

23

2123-1057D12

PIN;JOINT

desc: BROCHE

1шт.

24

123-00126A

PIN

desc: BROCHE

1шт.

25

S2208861

BOLT

desc: BOULON A 6 PANS CREUX

1шт.

26

621-00741A

COVER

SERIAL: 1001-1357

1шт.

26

621-00741B

COVER

SERIAL: 1358

1шт.

27

S4032633

NUT;L

desc: ECROU

2шт.

28

S0511553

BOLT

desc: BOULON A 6 PANS

1шт.

29

S5010513

WASHER;PLAIN M8

desc: RONDELLE PLATE

2шт.

30

S4500633

NUT;FLANGE

desc: ECROU

1шт.

31

2114-1058D1

WASHER

desc: RONDELLE

1шт.

32

S0558553

BOLT

desc: BOULON A 6 PANS

1шт.

Выбрано товаров: 35