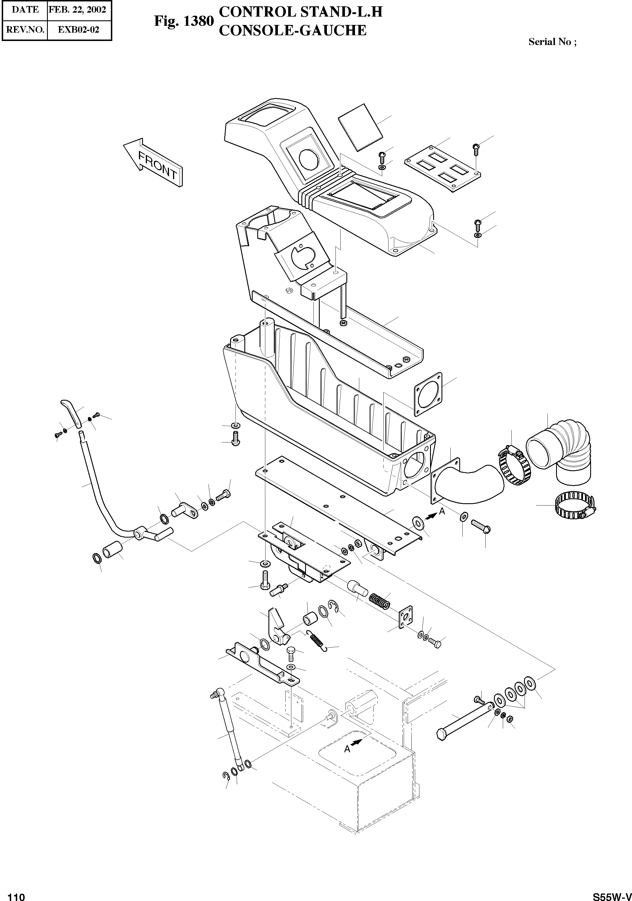
Запчасти Doosan Daewoo CONTROL STAND-L.H BODY PARTS

19-10
19-8
19-2
19-10
19-8
19-12
47
8
19-14
19-15
19-16
19-5
19-6
19-11
19-6
19-1
19-18
19-19
17
39
20-7
19-17
20-6
20-8
20-1
17
21
20-8
20-9
19-4
19-20
20-10
22
24
23
23
30
31
29
27
26
28
25
19-8
19-9
19-10
19-3
19-7
26
47
8
42
14
50
14
62
46
7
15
6
47
8
12
11
47
8
74
FIT
1:1
100%

Артикул

Название

Примечание

Количество

-

195-00309

STAND ASS'Y

SERIAL: 1001-1348

-2шт.

-

195-00309A

STAND ASS'Y

SERIAL: 1349

-2шт.

6

2125-1078B

CASE;UPPER

desc: CARTER

1шт.

7

2125-1079

CASE;LOWER

desc: CARTER

1шт.

8

2120-2166D23

SCREW M5X0.8X20

desc: VIS

10шт.

11

2621-2748

COVER;SWITCH(L.H.)

desc: COUVERCLE

1шт.

12

2120-2166D22

SCREW M3X0.5X12

desc: VIS

4шт.

14

S3600

CLAMP

desc: ATTACHE

2шт.

15

2195-3763B

BRACKET

desc: SUPPORT

1шт.

17

2114-1898D2

WASHER M8

desc: RONDELLE

8шт.

19

133-00088A

LEVER ASS'Y

SERIAL: 1001-1348

1шт.

19

133-00088B

LEVER ASS'Y

SERIAL: 1349

1шт.

19-1

2116-1561C

PLATE

desc: . PLAQUE

1шт.

19-2

133-00087

LEVER

desc: . LEVIER

1шт.

19-3

2116-1485

PLATE

desc: . PLAQUE

1шт.

19-4

2123-2146A

PIN

desc: . GOUJON

1шт.

19-5

2123-2279

PIN

desc: . GOUJON

1шт.

19-6

2114-1059D37

SHIM 0.4T

desc: . CALE

2шт.

19-7

2129-1432

SPRING

desc: . RESSORT

1шт.

19-8

S3458583

SCREW M4X0.7X12

desc: . VIS

6шт.

19-9

S5102103

WASHER;SPRING M4

desc: . RONDELLE ELASTIQUE

4шт.

19-10

S5000113

WASHER;PLAIN M4

desc: . RONDELLE PLATE

6шт.

19-11

2110-1184D29

BUSH;DU

desc: . COUSSINET

1шт.

19-12

2132-1132A

GRIP

desc: . POIGNEE

1шт.

19-14

2120-2166D31

BOLT M5X0.8X12

desc: . BOULON A 6 PANS

1шт.

19-15

2114-2031D2

WASHER;SPRING M5

desc: . RONDELLE ELASTIQUE

1шт.

19-16

2114-1898D5

WASHER;PLAIN M5

desc: . RONDELE

1шт.

19-17

116-00003

STOPPER;LEVER

SERIAL: 1001-1348

1шт.

19-17

116-00003A

STOPPER;LEVER

SERIAL: 1349

1шт.

19-18

2121-1311D2

NUT

desc: . ECROU

1шт.

19-19

2114-1898D14

WASHER;PLAIN

desc: . RONDELLE PLATE

1шт.

19-20

2114-2031D4

WASHER;SPRING

desc: . RONDELLE ELASTIQUE

1шт.

20

2133-2103A

LEVER LOCK ASS'Y

desc: LEVIER

1шт.

20-1

-

PLATE

SC: D

1шт.

20-6

2133-1989B

LEVER

desc: . LEVIER

1шт.

20-7

2110-1184D29

BUSH;DU

desc: . COUSSINET

1шт.

20-8

2114-1059D200

SHIM 0.5T

desc: . CALE

2шт.

20-9

S6541200

RING;RETAINING

desc: . BAGUE D'ETANCHEITE

1шт.

20-10

2129-1433A

SPRING

desc: . RESSORT

1шт.

21

2120-2166D12

BOLT M8X1.25X14

desc: BOULON A 6 PANS

2шт.

22

2440-9243

SPRING;GAS

desc: VERIN PNEUMATIQUE

1шт.

23

S5010513

WASHER;PLAIN M8

desc: RONDELLE

2шт.

24

S6540500

RING;RETAINER

desc: BAGUE CIRCLIPS

1шт.

25

2123-2259

PIN

desc: BROCHE

1шт.

26

2114-4129

WASHER

desc: RONDELLE PLATE

2шт.

27

2114-1059D31

SHIM 0.4T

desc: CALE

3шт.

28

S0553553

BOLT M6X1.0X45

desc: BOULON A 6 PANS

1шт.

29

S4012333

NUT M6X1.0

desc: ECROU

1шт.

30

S5020313

WASHER M6

desc: RONDELLE

1шт.

31

S5110303

WASHER;SPRING M6

desc: RONDELLE ELASTIQUE

1шт.

39

2120-2166D5

BOLT M8X1.25X20

desc: BOULON A 6 PANS

6шт.

42

2197-2638

BRACKET

desc: SUPPORT

1шт.

46

2197-1840

BRACKET

desc: SUPPORT

1шт.

47

2114-1898D4

WASHER M5

desc: RONDELLE

10шт.

50

2197-1775A

BRACKET

desc: SUPPORT

1шт.

62

2158-1017D2

PROTECTOR

desc: TUYAU FLEXIBLE

1шт.

74

190-00109

PLATE;NAME

desc: PLAQUE SIGNALETIQUES

1шт.

Выбрано товаров: 57