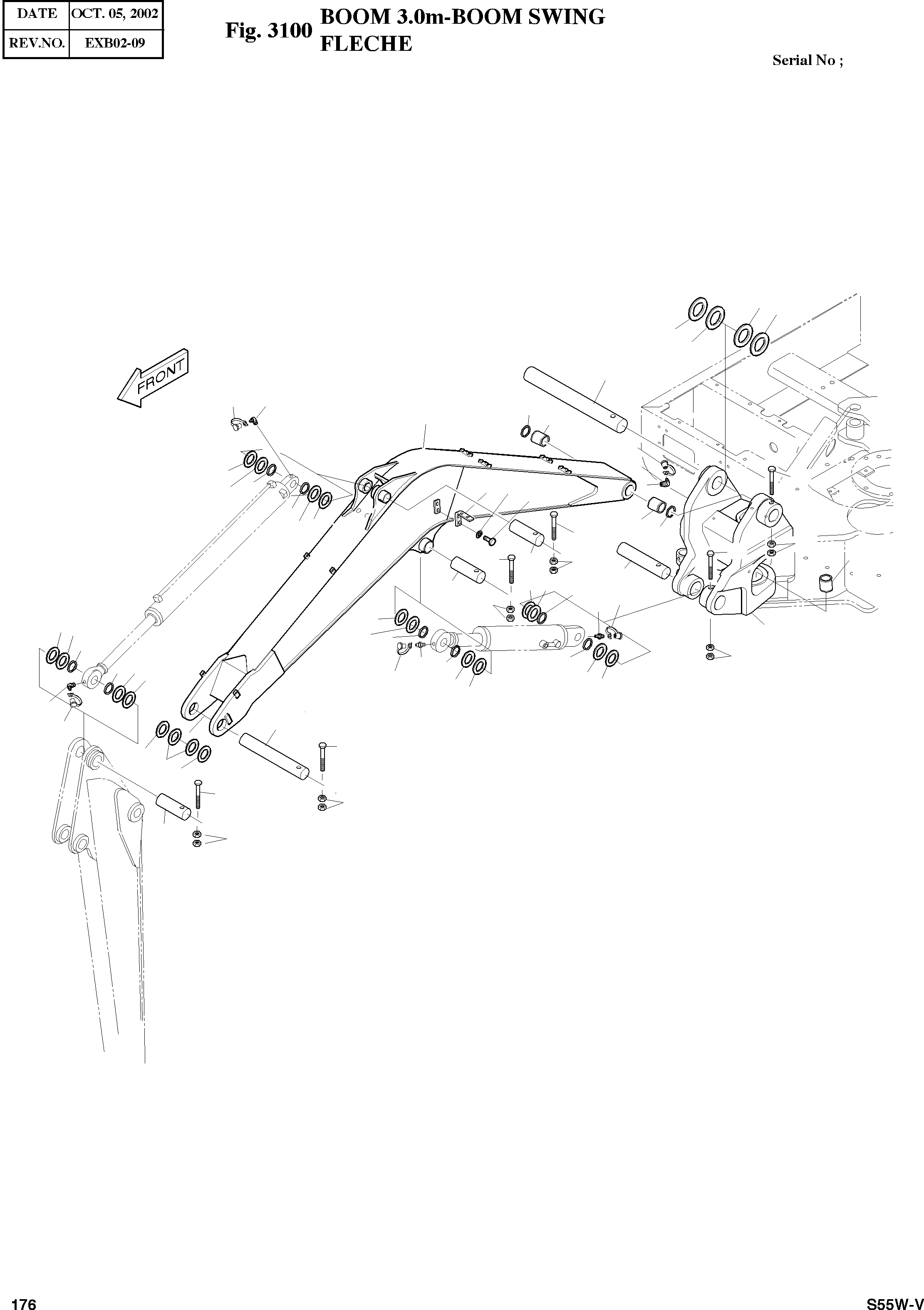
Запчасти Doosan Daewoo BOOM 3.0M-BOOM SWING FRONT PARTS

21
22
22
21
2
12
25
7
1
25
11
24
14
17
19
8
23
18
8
24
23
7
13
16
14
13
5
15
3
24
23
8
4
25
10
15
24
24
23
20
23
8
8
16
8
23
10
8
8
24
25
23
23
24
20B
24
12
6
25
13
24
23
24
13
15
5
15
1A
1A
FIT
1:1
100%

Артикул

Название

Примечание

Количество

-

701-00241

BOOM ASS'Y

SC: D

-2шт.

1

701-00236A

BOOM SUB ASS'Y-3.0m

SERIAL: 1001-1136

1шт.

1

701-00236B

BOOM SUB ASS'Y-3.0m

SERIAL: 1137

1шт.

1

701-00236C

BOOM SUB ASS'Y-3.0m

desc: FLECHE

1шт.

1A

2110-1395A

BUSH

SERIAL: 1001-1136

2шт.

1A

110-00130

BUSH

SERIAL: 1137

2шт.

2

2123-1728A

PIN

desc: BROCHE

1шт.

3

2123-2337A

PIN

desc: BROCHE

1шт.

4

2123-2251B

PIN

SERIAL: 1001-1136

1шт.

4

2123-2251C

PIN

SERIAL: 1137

1шт.

5

2123-2250

PIN

SERIAL: 1001-1136

2шт.

5

2123-2250A

PIN

SERIAL: 1137

2шт.

6

2123-2252

PIN

SERIAL: 1001-1136

1шт.

6

2123-2252A

PIN

SERIAL: 1137

1шт.

7

2180-1106BD10

SEAL;DUST

desc: PARE-POUSSIERES

2шт.

8

2180-1106BD12

SEAL;DUST

desc: PARE-POUSSIERES

8шт.

10

S6710040

NIPPLE;GREASE

desc: GRAISSEUR

2шт.

11

S6710100

NIPPLE;GREASE

desc: GRAISSEUR

1шт.

12

S6710150

NIPPLE;GREASE

desc: GRAISSEUR

2шт.

13

S0561953

BOLT M12X110

desc: BOULON A 6 PANS

4шт.

14

S0564353

BOLT M12X120

desc: BOULON A 6 PANS

2шт.

15

S4012733

NUT

desc: ECROU

8шт.

16

S4012833

NUT

desc: ECROU

4шт.

17

2195-3691A

BRACKET;LAMP

desc: SUPPORT

1шт.

18

S0508613

BOLT M8X16

desc: BOULON A 6 PANS

2шт.

19

S5102503

WASHER;SPRING M8

desc: RONDELLE ELASTIQUE

2шт.

20

2195-3098K

BRACKET;SWING

desc: SUPPORT

1шт.

20B

2110-1194A

BUSH

desc: . COUSSINET

1шт.

21

2114-1059D143

SHIM

desc: CALE

2шт.

22

2114-1059D144

SHIM

desc: CALE

2шт.

23

2114-1059D263

SHIM

desc: CALE

10шт.

24

2114-1059D264

SHIM

desc: CALE

10шт.

25

160-00020

CAP;GREASE NIPPLE

SERIAL: 1137

5шт.

Выбрано товаров: 33