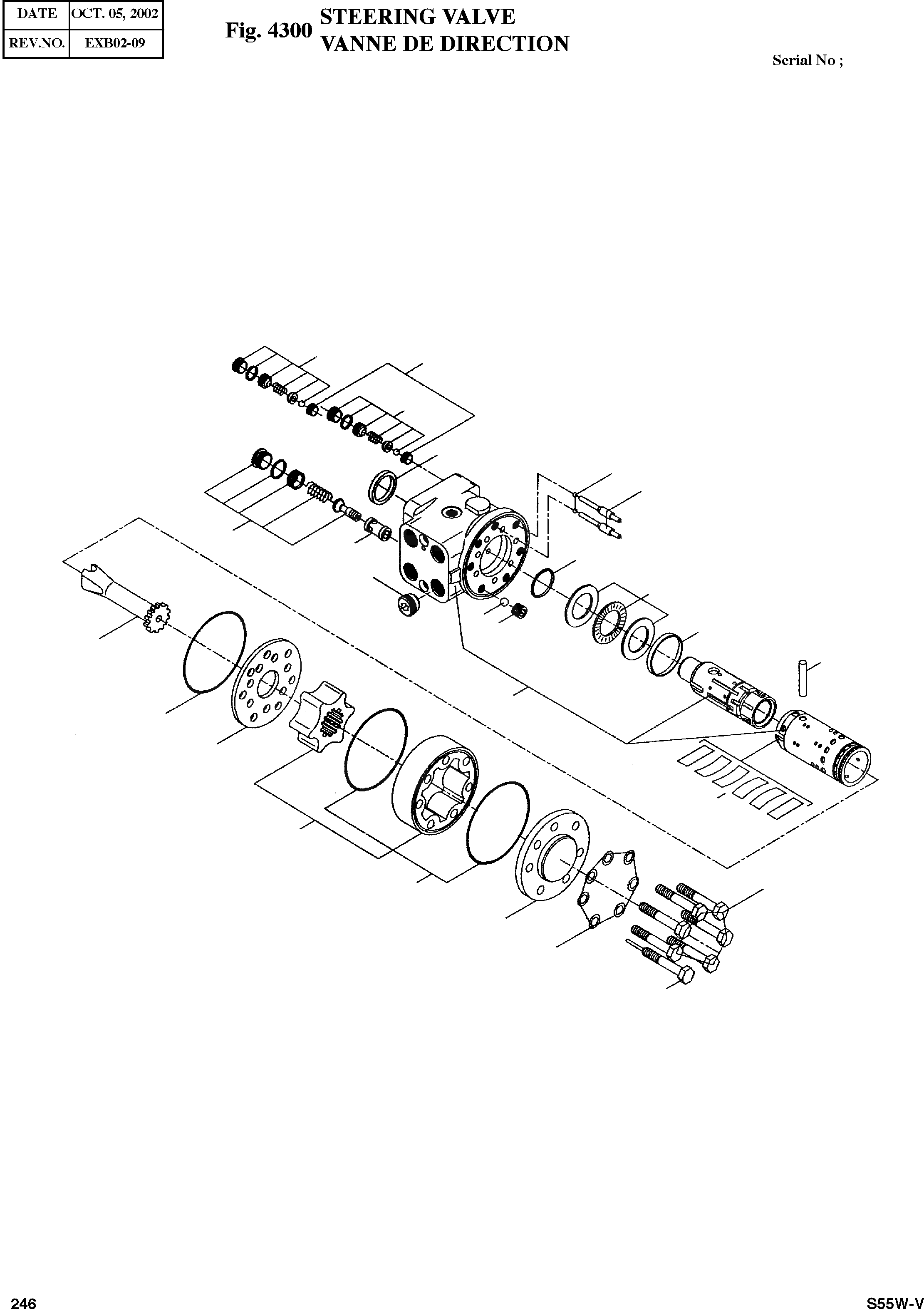
Запчасти Doosan Daewoo STEERING VALVE HYDRAULIC PARTS

26
2
26
1
27
29
24
2
5
32
7
3
8
4
11
9
2
13
14
12
15
21
16
17
18
20
FIT
1:1
100%

Артикул

Название

Примечание

Количество

-

2420-9579

STEERING VALVE

desc: VANNE DE DIRECTION

1шт.

-

150-8171

VALVE;STEDER

SC: D

1шт.

1

633B9002

RING;DUST SEAL

SC: K

1шт.

2

-

HOUSING SPOOL ASS'Y

SC: D

1шт.

3

689X1031

BALL D8.5

desc: BILLE

1шт.

4

150-0304

BUSHING;THREAD

desc: MANCHON

1шт.

5

150N4014

O-RING

SC: K

1шт.

7

150-4262

BEARING ASS'Y

desc: PALIER

1шт.

8

150-0310

RING

desc: BAGUE

1шт.

9

150-0305

PIN;CROSS

desc: BROCHE

1шт.

11

150-0844

DRIVE

desc: TOURNEVIS EN CROIX

1шт.

12

150-4265

SET;CENTERING SPRING

desc: RESSORT

1шт.

13

633B1202

O-RING

SC: K

1шт.

14

150N0610

PLATE;DESTRIBURTOR

desc: PLAQUE

1шт.

15

150-4175

GEAR;WHEEL SET

desc: PIGNON

1шт.

16

633B1173

O-RING

SC: K

2шт.

17

150-0328

COVER;END

desc: COUVERCLE

1шт.

18

648X2481

WASHER

SC: K

7шт.

20

150-0323

SCREW(WITH PIN)

desc: VIS

1шт.

21

681X1580

SCREW

desc: VIS

6шт.

24

150-4281

RELIEF VALVE ASS'Y

desc: CLAPET DE DECHARGE

1шт.

26

150-4268

SHOCK VALVE ASS'Y

desc: VANNE

2шт.

27

689X1005

BALL

desc: BILLE

2шт.

29

150-4080

PIN;ROLLED

desc: BROCHE

2шт.

32

150N4093

CHECK VALVE

desc: CLAPET DE TROP-PLEIN

1шт.

*

150N4038

SPARE PARTS

desc: KIT DE REPARATION

1шт.

Выбрано товаров: 26