Запчасти Doosan Daewoo INTAKE.EXHAUST SYSTEM ENGINE PARTS

2
1
11
5
4
9
6
27
7
20
19
22
28
21
24
17
12
13
14
22
23
18
40
37
38
39
FIT
1:1
100%

Артикул

Название

Примечание

Количество

1

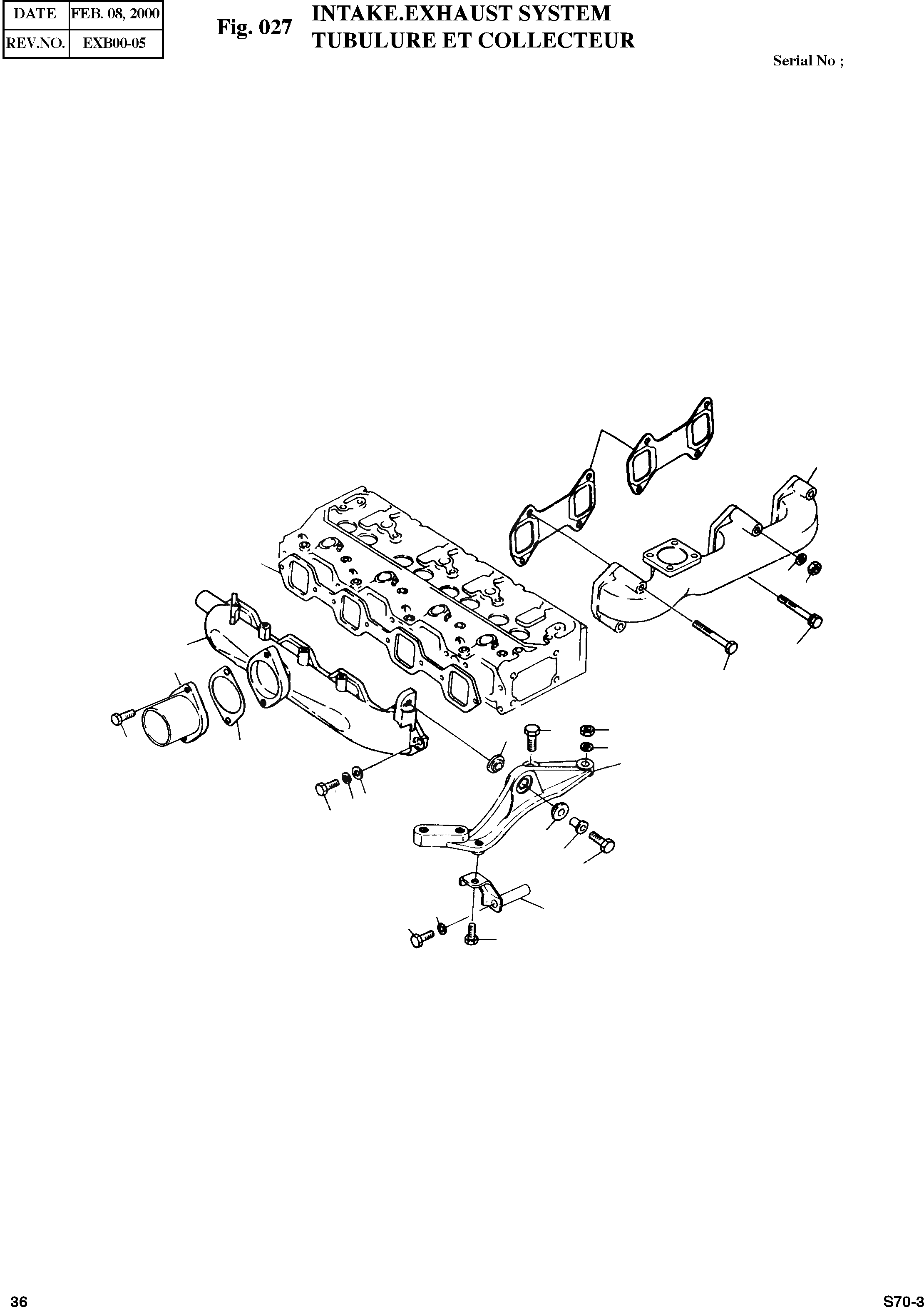
65.08101-0169

MANIFOLD;EXHAUST

desc: COLLECTEUR D'ECHAPPEMENT

1шт.

2

65.08901-0001

GASKET

desc: JOINT

2шт.

4

06.11063-8214

NUT;EXHAUST MANIFOLD

desc: ECROU

3шт.

5

06.16731-2107

WASHER;SPRING

desc: RONDELLE ELASTIQUE

3шт.

6

06.01923-3126

BOLT;HEX. M8X75

desc: BOULON A 6 PANS

4шт.

7

06.01913-3123

BOLT;HEX

desc: BOULON A 6 PANS

1шт.

9

65.08201-0024

MANIFOLD;INLET

desc: COLLECTEUR D'ADMISSION

1шт.

11

65.08902-0013

GASKET;INLET MANIFOLD

desc: JOINT

1шт.

12

06.15010-2311

WASHER;PLAIN

desc: RONDELLE PLATE

6шт.

13

06.16731-2107

WASHER;SPRING

desc: RONDELLE ELASTIQUE

8шт.

14

06.01283-7116

BOLT;HEX

desc: BOULON A 6 PANS

8шт.

17

65.08216-0003

BRACKET;INLET MANIFOLD FRONT

desc: SUPPORT

1шт.

18

06.01923-3119

BOLT;HEX. BRACKET TO MANIFOLD

desc: BOULON A 6 PANS

1шт.

19

06.01493-4206

BOLT;HEX. BRACKET CYLINDER HEAD

desc: BOULON A 6 PANS

1шт.

19

06.16731-2108

WASHER;SPRING

desc: RONDELLE ELASTIQUE

1шт.

20

06.11063-9215

NUT;HEX. BRACKET FIX

desc: ECROU

1шт.

21

06.16731-2108

WASHER;SPRING

desc: RONDELLE ELASTIQUE

1шт.

22

65.96210-0002

RUBBER;MOUNTING

desc: BLOC CAOUTCHOUC

2шт.

23

65.93020-0031

BUSH;BRACKET TO IN MANIFOLD

desc: COUSSINET

1шт.

24

65.96601-0013

GASKET;INLET PIPE

desc: JOINT

1шт.

27

65.08202-5030

PIPE;INLET

desc: TUYAU

1шт.

28

06.01923-3217

INLET PIPE FIX. BOLT ASS'Y

desc: ENSEMBLE BOULON

2шт.

37

65.08216-5002

BRACKET

desc: SUPPORT

1шт.

38

06.01493-4214

BOLT;HEX

desc: BOULON A 6 PANS

1шт.

39

06.01923-3112

BOLT ASS'Y M8X18

desc: BOULON A 6 PANS

1шт.

40

06.16731-2108

WASHER;SPRING

desc: RONDELLE ELASTIQUE

1шт.

Выбрано товаров: 0