Запчасти Doosan Daewoo LUB. OIL SYSTEM ENGINE PARTS

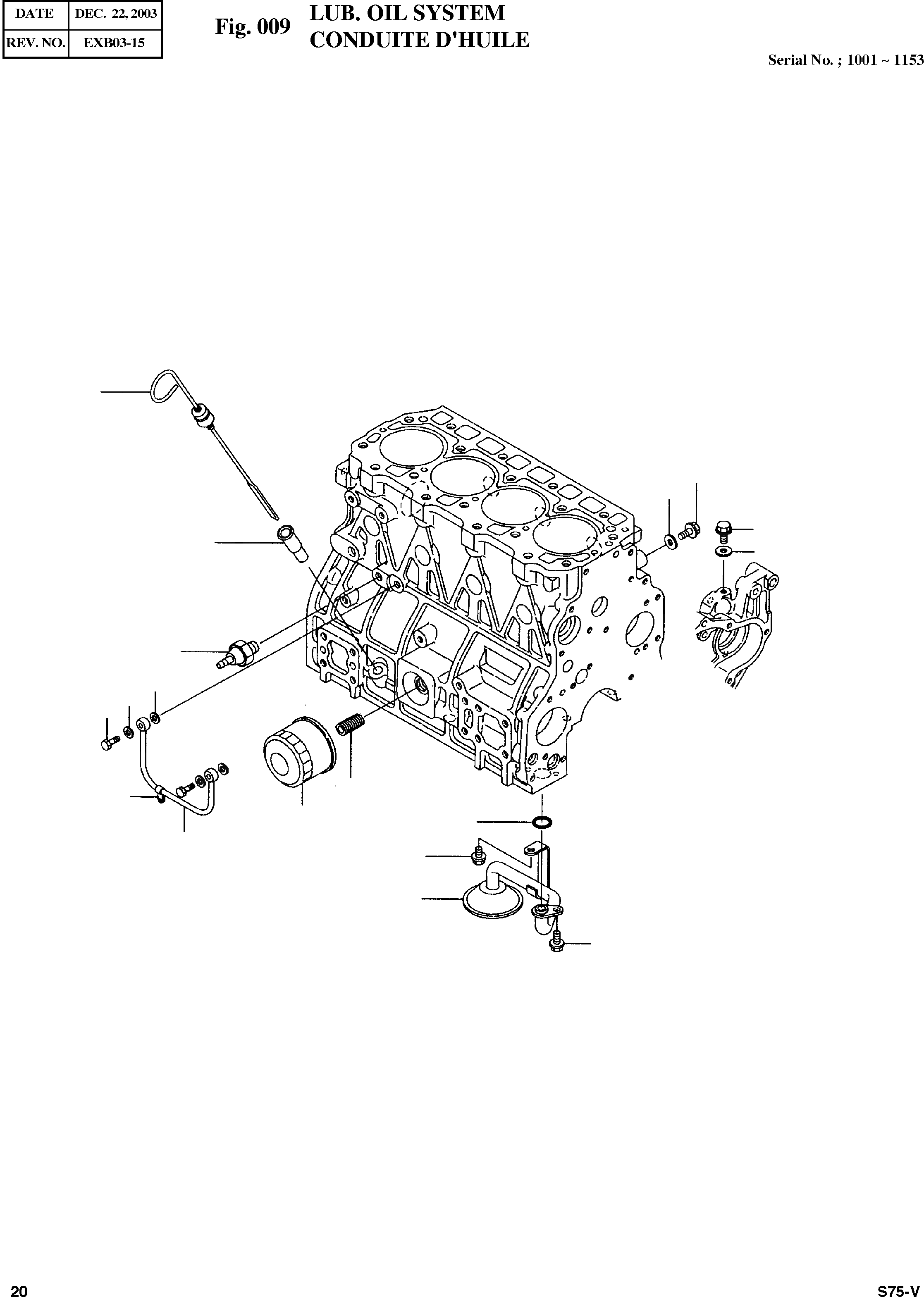
1
18
17
18
2
17
12
15
15
16
3
14
4
5
13
11
6
11
FIT
1:1
100%

Артикул

Название

Примечание

Количество

1

129900-34800

DIPSTICK

desc: JAUGEUR

1шт.

2

121520-34810

GUIDE;DIPSTICK

desc: GUIDE

1шт.

3

119000-35140

STUD;LUB. OIL FILTER

desc: GOUJON

1шт.

4

119005-35100

STRAINER

desc: BOITIER

1шт.

5

129900-32030

O-RING

desc: JOINT TORIQUE

1шт.

6

129900-35000

LUB. OIL PIPE ASS'Y

desc: TUYAU

1шт.

11

26106-080122

BOLT;PLATED M8X12

desc: BOULON

2шт.

12

114250-39450

SWITCH;L.O

desc: INTERRUPTEUR

1шт.

13

129900-39351

L.O. PIPE ASS'Y

desc: TUYAU

1шт.

14

23297-060081

RETAINER 6X8

desc: ARRETOIR

1шт.

15

23414-080000

GASKET;ROUND

desc: GARNITURE

2шт.

16

23857-030000

BOLT;JOINT

desc: BOULON

1шт.

17

22190-080002

WASHER;SEAL

desc: RONDELLE

2шт.

18

26106-080122

BOLT;PLATED M8X12

desc: BOULON

2шт.

Выбрано товаров: 14