Качественные детали и логистика
Оригинальные и аналоговые запчасти с доставкой по России, Казахстану и Беларуси
©2022 PartSell ООО "Система" ИНН 2463123282 ОГРН 1212400004838
Центральный офис: г. Красноярск, Академика Киренского, д.87, пом.4
Телефон: 8 (800) 777-65-74 Email: zakaz@partsell.ru
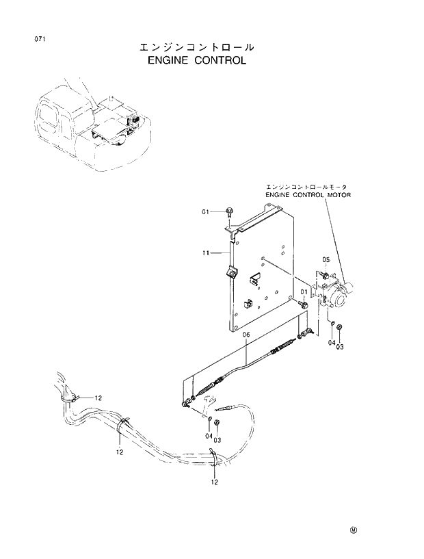
071 ENGINE CONTROL
№
Артикул
Название
Примечание
Количество
01
J031025
BOLT;SEMS
4шт.
03
M500605
NUT
2шт.
04
A590906
WASHER;SPRING
05
J011020
I 0
J021030
D00/01 -
06
4373551
CABLE;CONTROL
1шт.
11
7031246
COVER
I -1439
7033459
001001 -
001440 -
12
4055312
CLIP;BAND
3шт.
Выбрано товаров: 10