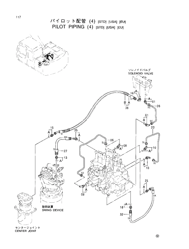
Запчасти Hitachi EX100-5E 117 PILOT PIPINGS (4)(STD)(USA)(EU) UPPERSTRUCTURE

Схема запчастей Hitachi EX100-5E - 117 PILOT PIPINGS (4)(STD)(USA)(EU) UPPERSTRUCTURE
FIT
1:1
100%

Артикул

Название

Примечание

Количество

01

4293950

ELBOW;S

2шт.

01A

957366

* O-RING

1шт.

06

3071221

PIPE (SJ)

1шт.

08

4293950

ELBOW;S

2шт.

08A

957366

* O-RING

1шт.

10

4293950

ELBOW;S

2шт.

10A

957366

* O-RING

1шт.

13

4200465

ADAPTER;S

1шт.

13A

957366

* O-RING

1шт.

15

4200465

ADAPTER;S

1шт.

15A

957366

* O-RING

1шт.

16

4154670

ELBOW;S

1шт.

16A

957366

* O-RING

1шт.

18

4200468

ADAPTER;S

1шт.

18A

4509180

* O-RING

1шт.

23

4350072

PIPE (SL)

1шт.

25

4200465

ADAPTER;S

1шт.

25A

957366

* O-RING

1шт.

26

4348612

PIPE (SC)

1шт.

27

4312101

HOSE (SH)

1шт.

32

4366273

HOSE (SK)

1шт.

35

4193826

ELBOW;S

1шт.

35A

957366

* O-RING

1шт.

36

9150073

HOSE ASS'Y

1шт.

36A

4366275

* HOSE (SI)

1шт.

36B

4327293

* PROTECTOR

2шт.

Выбрано товаров: 26