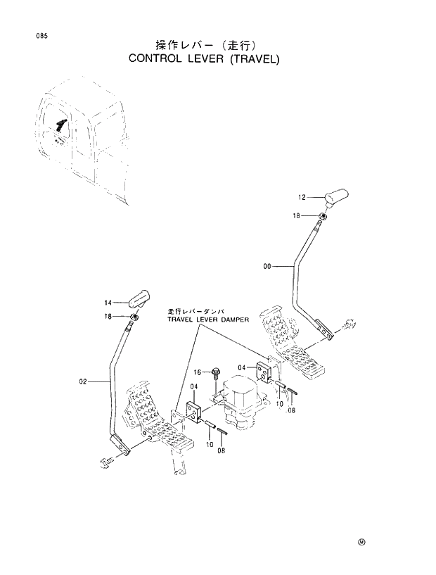
Запчасти Hitachi EX110M-5 085 CONTROL LEVER (TRAVEL) UPPERSTRUCTURE

Схема запчастей Hitachi EX110M-5 - 085 CONTROL LEVER (TRAVEL) UPPERSTRUCTURE
FIT
1:1
100%

Артикул

Название

Примечание

Количество

00

8062667

LEVER (R)

-3177

1шт.

00

8075450

LEVER (R)

003178 -

1шт.

02

8062623

LEVER (L)

-3177

1шт.

02

8075449

LEVER (L)

003178 -

1шт.

04

3072628

BRACKET

2шт.

08

4205317

PIN;SPRING

2шт.

10

4205318

PIN;SPRING

2шт.

12

2038735

GRIP

-3177

1шт.

12

2043585

GRIP

003178 -

1шт.

14

2038734

GRIP

-3177

1шт.

14

2043584

GRIP

003178 -

1шт.

16

J021040

BOLT;SEMS

2шт.

18

4424185

NUT

003178 -

2шт.

Выбрано товаров: 13