Качественные детали и логистика
Оригинальные и аналоговые запчасти с доставкой по России, Казахстану и Беларуси
©2022 PartSell ООО "Система" ИНН 2463123282 ОГРН 1212400004838
Центральный офис: г. Красноярск, Академика Киренского, д.87, пом.4
Телефон: 8 (800) 777-65-74 Email: zakaz@partsell.ru
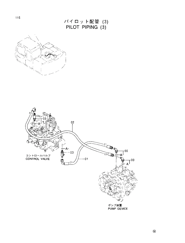
115 PILOT PIPINGS (3)
№
Артикул
Название
Примечание
Количество
00
4154670
ELBOW;S
2шт.
00A
957366
* O-RING
1шт.
01
4367970
HOSE (C1)
02
4367891
HOSE (C2)
03
4364784
TEE
03A
Выбрано товаров: 0