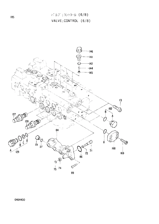
Запчасти Hitachi EX120-2 085 CONTROL VALVE (6-8) (030001 -). 03 VALVE

Схема запчастей Hitachi EX120-2 - 085 CONTROL VALVE (6-8) (030001 -). 03 VALVE
FIT
1:1
100%

Артикул

Название

Примечание

Количество

4304718

VALVE;CONTROL (6/8)

1шт.

8

411901

* O-RING

1шт.

13

411801

* BOLT;SOCKET

2шт.

19

309463

* PLUG

1шт.

27

4509180

* O-RING

1шт.

71

412201

* SCREW

1шт.

72

4506409

* O-RING

1шт.

74

412301

* NUT

1шт.

75

412203

* RING;RETAINING

1шт.

84

412302

* HOUSING

1шт.

86

411803

* O-RING

4шт.

89

411804

* BOLT;SOCKET

5шт.

127

412303

* VALVE

1шт.

128

412207

* VALVE

2шт.

129

309461

* PLUG ASS'Y

1шт.

129A

412209

** PLUG

1шт.

129B

4506428

** O-RING

1шт.

129C

412003

** RING;BACK-UP

1шт.

129D

4506420

** O-RING

1шт.

141

412304

* PLUG

4шт.

142

4506415

* O-RING

4шт.

144

412305

* BALL

4шт.

145

412306

* SEAT

4шт.

146

412307

* SCREW

4шт.

168

412308

* PLATE

1шт.

169

411912

* BOLT;SOCKET

4шт.

182

412309

* PLUG ASS'Y

2шт.

182A

412310

** PLUG

1шт.

182B

4506424

** O-RING

1шт.

Выбрано товаров: 29