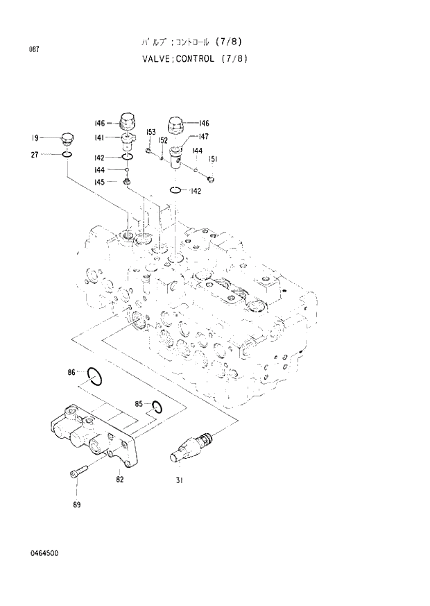
Запчасти Hitachi EX120-2 087 CONTROL VALVE (7-8) (030001 -). 03 VALVE

Схема запчастей Hitachi EX120-2 - 087 CONTROL VALVE (7-8) (030001 -). 03 VALVE
FIT
1:1
100%

Артикул

Название

Примечание

Количество

4304718

VALVE;CONTROL (7/8)

1шт.

19

309463

* PLUG

1шт.

27

4509180

* O-RING

1шт.

31

463701

* VALVE;RELIEF

1шт.

82

463702

* HOUSING

1шт.

85

412403

* O-RING

1шт.

86

411803

* O-RING

3шт.

89

411804

* BOLT;SOCKET

7шт.

141

412304

* PLUG

2шт.

142

4506415

* O-RING

3шт.

144

412305

* BALL

3шт.

145

412306

* SEAT

2шт.

146

412307

* SCREW

3шт.

147

412404

* PLUG

1шт.

151

412405

* SEAT

1шт.

152

412406

* FILTER

1шт.

153

412407

* SCREW

1шт.

Выбрано товаров: 17