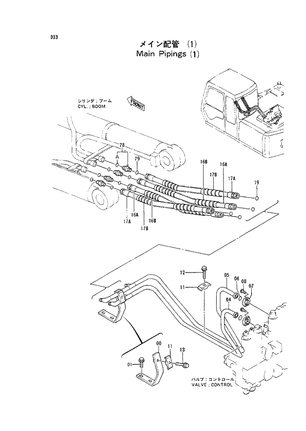
Запчасти Hitachi EX120-2 033 MAIN PIPINGS (1) (030001 -). 01 UPPERSTRUCTURE

Схема запчастей Hitachi EX120-2 - 033 MAIN PIPINGS (1) (030001 -). 01 UPPERSTRUCTURE
FIT
1:1
100%

Артикул

Название

Примечание

Количество

0

9737118

SUPPORT

1шт.

1

J021225

BOLT;SEMS

2шт.

4

8047349

PIPE

1шт.

5

8047348

PIPE

1шт.

6

4510167

O-RING

2шт.

7

4510173

FLANGE;SPLIT

4шт.

8

M340825

BOLT;SOCKET

8шт.

11

4189858

CLAMP;PIPE

2шт.

12

J011250

BOLT;SEMS

1шт.

13

J011260

BOLT;SEMS

1шт.

16A

4254436

HOSE

2шт.

16B

4044420

PROTECTOR

2шт.

17A

4285464

HOSE

2шт.

17B

4044420

PROTECTOR

-31718

2шт.

19

4138938

O-RING

4шт.

78

4189602

ADAPTER;S

4шт.

78A

4506418

* O-RING

1шт.

79

4138938

O-RING

4шт.

Выбрано товаров: 18