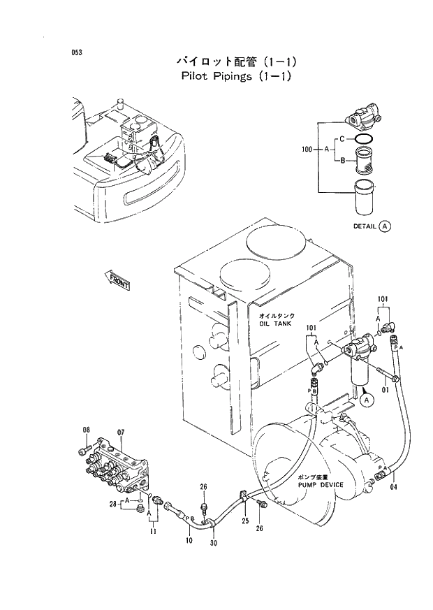
Запчасти Hitachi EX120-2 053 PILOT PIPINGS (1-1) (030001 -). 01 UPPERSTRUCTURE

Схема запчастей Hitachi EX120-2 - 053 PILOT PIPINGS (1-1) (030001 -). 01 UPPERSTRUCTURE
FIT
1:1
100%

Артикул

Название

Примечание

Количество

1

J011095

BOLT;SEMS

2шт.

4

4276912

HOSE

1шт.

7

4276904

VALVE;SOL.

1шт.

8

M341025

BOLT;SOCKET

3шт.

10

4264575

HOSE

1шт.

11

4210361

ADAPTER;S

1шт.

11A

4506418

* O-RING

1шт.

25

4190277

CLIP

1шт.

26

J011025

BOLT;SEMS

2шт.

28

4093624

PLUG

1шт.

28A

957366

* O-RING

1шт.

30

4190266

CLIP

1шт.

100

4191300

FILTER;OIL

1шт.

100A

4207841

* ELEMENT;OIL

1шт.

100B

4191301

** ELEMENT;FILTER

1шт.

100C

A811065

** O-RING

1шт.

101

4154672

ELBOW;S

2шт.

101A

4506418

* O-RING

1шт.

Выбрано товаров: 18