Запчасти Hitachi EX120-3 059 HOLDING VALVE. 03VALVE

Схема запчастей Hitachi EX120-3 - 059 HOLDING VALVE. 03VALVE
FIT
1:1
100%

Артикул

Название

Примечание

Количество

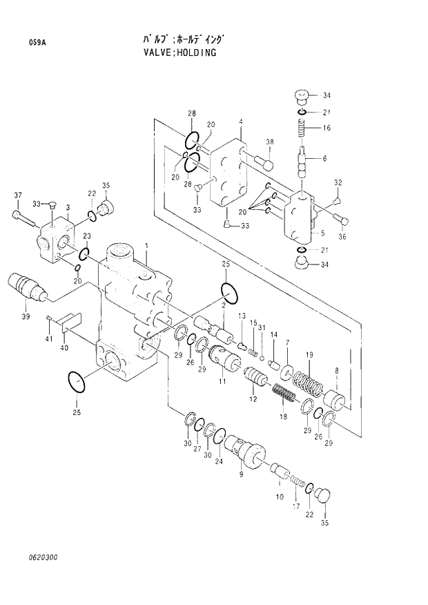
4345286

VALVE;HOLDING

1шт.

1

+++++++

* BODY

1шт.

2

+++++++

* SPOOL

1шт.

3

+++++++

* COVER

1шт.

4

+++++++

* COVER

1шт.

5

+++++++

* BODY

1шт.

6

+++++++

* SPOOL

1шт.

7

0620301

* SEAT;SPRING

1шт.

8

0620302

* PIECE;DISTANT

1шт.

9

+++++++

* GUIDE

1шт.

10

+++++++

* PLUNGER

1шт.

11

+++++++

* BUSHING

1шт.

12

+++++++

* PISTON

1шт.

13

+++++++

* SEAT;SPRING

1шт.

14

+++++++

* PLUG

1шт.

15

+++++++

* SPRING

1шт.

16

0620303

* SPRING

1шт.

17

0498503

* SPRING

1шт.

18

0620304

* SPRING

1шт.

19

0620305

* SPRING

1шт.

20

4506407

* O-RING

7шт.

21

957366

* O-RING

2шт.

22

4509180

* O-RING

2шт.

23

4506420

* O-RING

1шт.

24

4506424

* O-RING

1шт.

25

A811030

* O-RING

2шт.

26

0294414

* O-RING

2шт.

27

0230906

* O-RING

1шт.

28

0264107

* O-RING

2шт.

29

0620306

* RING;BACK-UP

4шт.

30

0230908

* RING;BACK-UP

2шт.

31

+++++++

* BALL;STEEL

1шт.

32

+++++++

* PLUG

1шт.

33

+++++++

* PLUG

2шт.

34

0215221

* PLUG

2шт.

35

0253702

* PLUG

3шт.

36

0620307

* BOLT;SOCKET

4шт.

37

0620308

* BOLT;SOCKET

2шт.

38

0627910

* BOLT;SOCKET

6шт.

39

4324747

* VALVE;RELIEF

1шт.

40

0408308

* NAME-PLATE

1шт.

41

0242006

* SCREW

2шт.

Выбрано товаров: 42