Запчасти Hitachi EX120-3 063 HOLDING VALVE. 03VALVE

Схема запчастей Hitachi EX120-3 - 063 HOLDING VALVE. 03VALVE
FIT
1:1
100%

Артикул

Название

Примечание

Количество

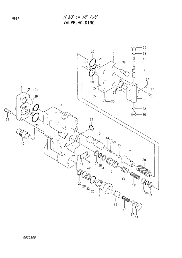
4311302

VALVE;HOLDING

1шт.

1

+++++++

* BODY

1шт.

2

+++++++

* SPOOL

1шт.

3

+++++++

* COVER

1шт.

4

+++++++

* COVER

1шт.

5

+++++++

* BODY

1шт.

6

+++++++

* SPOOL

1шт.

7

0620401

* SEAT;SPRING

1шт.

9

+++++++

* GUIDE

1шт.

10

+++++++

* PLUNGER

1шт.

11

0620402

* PLUG

1шт.

12

+++++++

* BUSHING

1шт.

13

+++++++

* PISTON

1шт.

14

+++++++

* SEAT;SPRING

1шт.

15

+++++++

* PLUG

1шт.

16

+++++++

* SPRING

1шт.

17

0620303

* SPRING

1шт.

18

0620304

* SPRING

1шт.

19

0498602

* SPRING

1шт.

20

0620403

* SPRING

1шт.

21

4506407

* O-RING

7шт.

22

957366

* O-RING

2шт.

23

4506429

* O-RING

1шт.

24

A811030

* O-RING

1шт.

25

A811040

* O-RING

1шт.

26

0294414

* O-RING

2шт.

27

0215216

* O-RING

1шт.

28

0230905

* O-RING

1шт.

29

0264107

* O-RING

1шт.

30

0620404

* O-RING

2шт.

31

0620306

* RING;BACK-UP

4шт.

32

0620405

* RING;BACK-UP

2шт.

33

+++++++

* BALL;STEEL

1шт.

34

+++++++

* PLUG

1шт.

35

+++++++

* PLUG

3шт.

36

0215221

* PLUG

2шт.

37

0620307

* BOLT;SOCKET

4шт.

38

0254011

* BOLT;SOCKET

4шт.

39

0215615

* BOLT;SOCKET

6шт.

40

4324747

* VALVE;RELIEF

1шт.

41

0408308

* NAME-PLATE

1шт.

42

0242006

* SCREW

2шт.

Выбрано товаров: 42