Запчасти Hitachi EX120-3 067 PILOT PIPINGS (2-2). 01UPPERSTRUCTURE

Схема запчастей Hitachi EX120-3 - 067 PILOT PIPINGS (2-2). 01UPPERSTRUCTURE
FIT
1:1
100%

Артикул

Название

Примечание

Количество

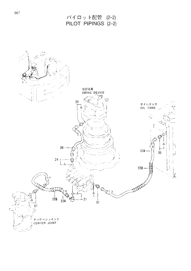
01

4200465

ADAPTER;S

1шт.

01A

957366

* O-RING

1шт.

21

4154670

ELBOW;S

1шт.

21A

957366

* O-RING

1шт.

22A

4320252

HOSE (SH)

1шт.

22B

4133527

PROTECTOR

1шт.

24

4200465

ADAPTER;S

2шт.

24A

957366

* O-RING

1шт.

26

4320256

HOSE (SI)

1шт.

30

4200466

ADAPTER;S

1шт.

30A

4509180

* O-RING

1шт.

31

4200467

ADAPTER;S

1шт.

31A

957366

* O-RING

1шт.

33A

4285786

HOSE;NYLON (T3)

1шт.

33B

4133527

PROTECTOR

1шт.

Выбрано товаров: 15