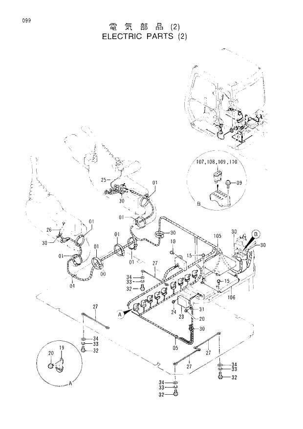
Запчасти Hitachi EX120-3 099 ELECTRIC PARTS (2). 01UPPERSTRUCTURE

Схема запчастей Hitachi EX120-3 - 099 ELECTRIC PARTS (2). 01UPPERSTRUCTURE
FIT
1:1
100%

Артикул

Название

Примечание

Количество

00

0001835

HARNESS;WIRE

1шт.

01

4121859

CLIP;BAND

7шт.

04

4190275

CLIP

1шт.

05

4254600

CLIP

1шт.

09

J450620

SCREW;SEMS

2шт.

10

J460620

SCREW;SEMS

2шт.

15

J460616

SCREW;SEMS

8шт.

19

4251588

RELAY

9шт.

20

J460616

SCREW;SEMS

10шт.

23

4325797

RELAY

1шт.

24

J460616

SCREW;SEMS

2шт.

25

4277927

HARNESS;WIRE(STARTER SWITCH SUB)

1шт.

26

4277941

HARNESS;WIRE (RADIO SUB)

1шт.

27

4281293

HARNESS;WIRE (RADIO EARTH)

4шт.

30

4055312

CLIP;BAND

6шт.

31

4000859

CLIP;PIPE

1шт.

32

J901016

BOLT

4шт.

33

A590910

WASHER;SPRING

4шт.

34

A590110

WASHER;PLANE

4шт.

105

9131578

UNIT;EC

1шт.

106

9131576

UNIT;PVC

1шт.

107

4249690

FUSE (1A)

6шт.

108

4195593

FUSE (5A)

8шт.

109

4195594

FUSE (10A)

3шт.

110

4195596

FUSE (20A)

2шт.

Выбрано товаров: 25