Запчасти Hitachi EX120-5 031 VALVE;BRAKE 02 MOTOR;OIL

Схема запчастей Hitachi EX120-5 - 031 VALVE;BRAKE 02 MOTOR;OIL
FIT
1:1
100%

Артикул

Название

Примечание

Количество

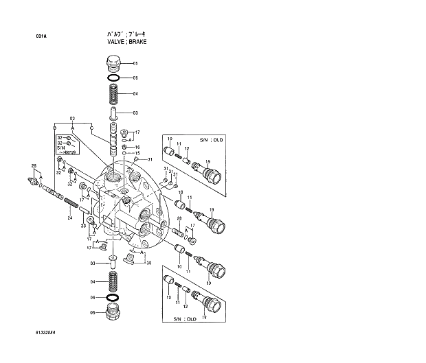
9132208

VALVE;BRAKE

I

1шт.

(9148471)

VALVE;BRAKE

1шт.

00

8058962

* CASING ASS'Y

1шт.

00A

+++++++

** CASING;REAR

1шт.

00B

+++++++

** SPOOL

1шт.

00C

+++++++

** SPOOL

1шт.

03

4154878

* STOPPER

2шт.

04

4193377

* SPRING;COMPRES.

2шт.

05

4229631

* PLUG

2шт.

06

4506429

* O-RING

2шт.

10

4300918

* POPPET

2шт.

11

4272413

* SPRING;COMPRES.

0

2шт.

11

4272413

* SPRING;COMPRES.

H0837 - H0840

2шт.

11

4272413

* SPRING;COMPRES.

H0845 - H0846

2шт.

11

4383067

* SPRING;COMPRES.

H0836 - H0836

2шт.

11

4383067

* SPRING;COMPRES.

H0841 - H0844

2шт.

11

4383067

* SPRING;COMPRES.

H0847 -

2шт.

12

4272414

* GUIDE;SPRING

0

2шт.

12

4272414

* GUIDE;SPRING

H0837 - H0840

2шт.

12

4272414

* GUIDE;SPRING

H0845 - H0846

2шт.

15

4509493

* BALL

1шт.

16

4193400

* PLUG

1шт.

17

9134110

* PLUG

5шт.

17A

957366

** O-RING

1шт.

19

9144846

* VALVE;RELIEF

0

2шт.

19

9144846

* VALVE;RELIEF

H0837 - H0840

2шт.

19

9144846

* VALVE;RELIEF

H0845 - H0846

2шт.

19

9159923

* VALVE;RELIEF

H0836 - H0836

2шт.

19

9159923

* VALVE;RELIEF

H0841 - H0844

2шт.

19

9159923

* VALVE;RELIEF

H0847 -

2шт.

23

4281767

* STOPPER

1шт.

24

4297257

* SPRING;COMPRES.

1шт.

26

4368621

* ADAPTER;S

1шт.

26A

957366

** O-RING

1шт.

28

4312685

* SPOOL

1шт.

30

9134112

* PLUG

1шт.

30A

4506418

** O-RING

1шт.

31

4050968

* PLUG

4шт.

32

4050968

* PLUG

0

2шт.

32

9134109

* PLUG

H00130 -

2шт.

32A

4506408

** O-RING

H00130 -

1шт.

Выбрано товаров: 41