Запчасти Hitachi EX120-5 055 VALVE;CONTROL (10;10) 03 VALVE

Схема запчастей Hitachi EX120-5 - 055 VALVE;CONTROL (10;10) 03 VALVE
FIT
1:1
100%

Артикул

Название

Примечание

Количество

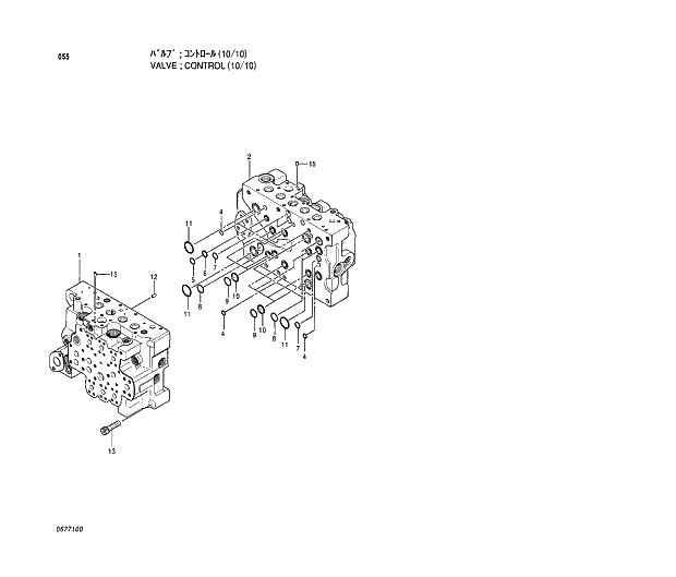
4366958

VALVE;CONTROL(10/10)

1шт.

1

+++++++

* HOUSING

1шт.

2

+++++++

* HOUSING

1шт.

4

4506320

* O-RING

6шт.

5

4509180

* O-RING

1шт.

6

0309403

* RING;BACK-UP

1шт.

7

0669501

* O-RING

3шт.

8

0411901

* O-RING

3шт.

9

985099

* O-RING

8шт.

10

0309401

* RING;BACK-UP

8шт.

11

0309402

* O-RING

4шт.

12

+++++++

* PIN

1шт.

13

0309405

* BOLT;SOCKET

9шт.

15

+++++++

* PIN

2шт.

Выбрано товаров: 14