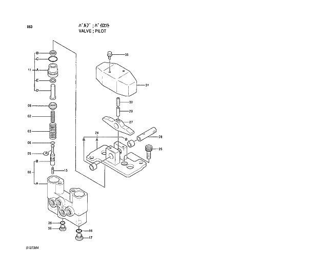
Запчасти Hitachi EX120-5 063 VALVE;PILOT 03 VALVE

Схема запчастей Hitachi EX120-5 - 063 VALVE;PILOT 03 VALVE
FIT
1:1
100%

Артикул

Название

Примечание

Количество

9137384

VALVE;PILOT

I

1шт.

(9137387)

VALVE;PILOT

1шт.

00

7018460

* CASING ASS'Y

1шт.

00A

+++++++

** CASING

1шт.

00B

+++++++

** SPOOL

2шт.

02

4343339

* SPRING;COMPRES

2шт.

03

4213075

* SPRING;COMPRES.

2шт.

05

4177777

* SPACER

2шт.

06

4173208

* SHIM

10шт.

08

4203412

* GUIDE;SPRING

2шт.

11

9137312

* PUSHER ASS'Y

2шт.

11A

3047596

** BUSHING

1шт.

11B

4240150

** SEAL;DUST

1шт.

11C

A810025

** O-RING

1шт.

11D

3071116

** PUSHER

1шт.

11E

4240151

** SEAL;OIL

1шт.

15

4184929

* PISTON

2шт.

16

962567

* O-RING

2шт.

17

4185057

* PLUG

2шт.

24

9086168

* HOLDER ASS'Y

1шт.

24A

2027698

** HOLDER

1шт.

24B

4238834

** BUSHING

2шт.

25

4198391

* STOPPER

2шт.

27

3035803

* CAM

1шт.

28

4190983

* PIN

1шт.

29

4027427

* PIN;SPRING

1шт.

30

4213419

* PIN;SPRING

1шт.

31

2024717

* COVER

1шт.

35

J020616

* BOLT;SEMS

Y 0

2шт.

35

J020612

* BOLT;SEMS

H02137 -

2шт.

36

4208977

* PLUG

1шт.

38

964255

* O-RING

1шт.

Выбрано товаров: 32