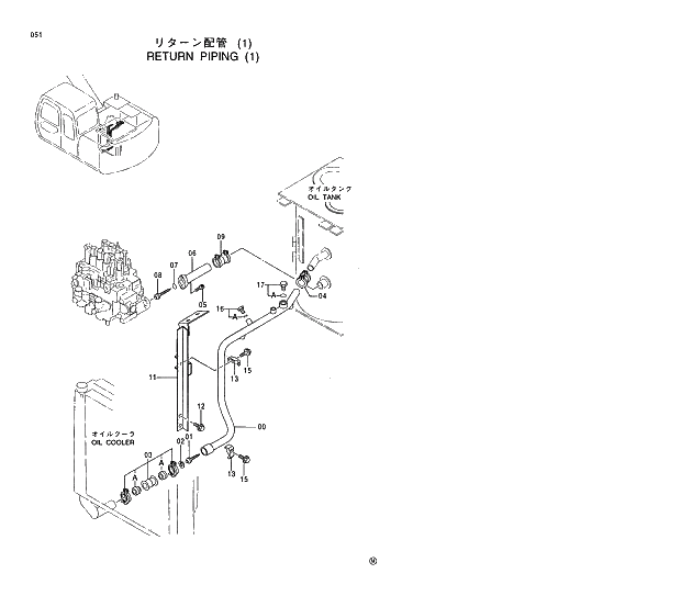
Запчасти Hitachi EX120-5 051 RETURN PIPING (1) 01 UPPERSTRUCTURE

Схема запчастей Hitachi EX120-5 - 051 RETURN PIPING (1) 01 UPPERSTRUCTURE
FIT
1:1
100%

Артикул

Название

Примечание

Количество

00

7030148

PIPE

1шт.

01

4276584

VALVE

1шт.

02

991718

RING;RETAINING

1шт.

03

4067834

COUPLING

1шт.

03A

4196260

* SEAL

2шт.

04

4071213

COUPLING

1шт.

05

J781040

BOLT;SOCKET

2шт.

06

8064356

PIPE;RETURN

1шт.

07

A811040

O-RING

1шт.

08

4266481

VALVE

1шт.

09

4069801

COUPLING

1шт.

11

8060969

SUPPORT

1шт.

12

J021030

BOLT;SEMS

2шт.

13

4190127

CLAMP;PIPE

2шт.

15

J011270

BOLT;SEMS

2шт.

16

4092534

PLUG

1шт.

16A

4509180

* O-RING

1шт.

17

4174542

PLUG

1шт.

17A

4506424

* O-RING

1шт.

Выбрано товаров: 19