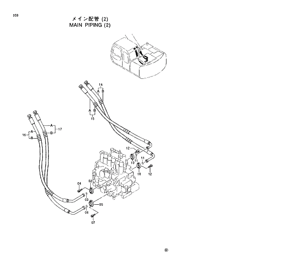
Запчасти Hitachi EX120-5 059 MAIN PIPING (2) 01 UPPERSTRUCTURE

Схема запчастей Hitachi EX120-5 - 059 MAIN PIPING (2) 01 UPPERSTRUCTURE
FIT
1:1
100%

Артикул

Название

Примечание

Количество

02

4510173

FLANGE;SPLIT

2шт.

03

4510167

O-RING

1шт.

04

J780825

BOLT;SOCKET

4шт.

05

986910

FLANGE;SPLIT

2шт.

06

971489

O-RING

1шт.

07

J781030

BOLT;SOCKET

4шт.

10

4510173

FLANGE;SPLIT

4шт.

11

4510167

O-RING

2шт.

12

J780825

BOLT;SOCKET

8шт.

14

9149508

HOSE ASS'Y

1шт.

14A

4332830

* HOSE

1шт.

14B

4327294

* PROTECTOR

1шт.

15

9149509

HOSE ASS'Y

1шт.

15A

4334301

* HOSE

1шт.

15B

4327294

* PROTECTOR

2шт.

16

9149507

HOSE ASS'Y

1шт.

16A

4332827

* HOSE

1шт.

16B

4327294

* PROTECTOR

2шт.

17

9149510

HOSE ASS'Y

1шт.

17A

4357774

* HOSE

1шт.

17B

4327294

* PROTECTOR

2шт.

Выбрано товаров: 21