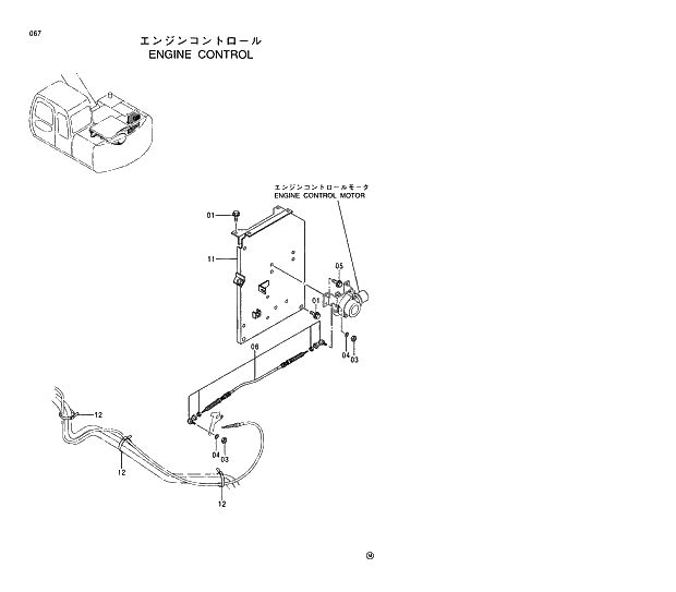
Запчасти Hitachi EX120-5 067 ENGINE CONTROL 01 UPPERSTRUCTURE

Схема запчастей Hitachi EX120-5 - 067 ENGINE CONTROL 01 UPPERSTRUCTURE
FIT
1:1
100%

Артикул

Название

Примечание

Количество

01

J031025

BOLT;SEMS

4шт.

03

M500605

NUT

2шт.

04

A590906

WASHER;SPRING

2шт.

05

J011020

BOLT;SEMS

I 0

4шт.

05

J021030

BOLT;SEMS

D00/01 -

4шт.

06

4373551

CABLE;CONTROL

1шт.

11

7031246

COVER

I -50631

1шт.

11

7033459

COVER

050632 -

1шт.

12

4055312

CLIP;BAND

3шт.

Выбрано товаров: 9