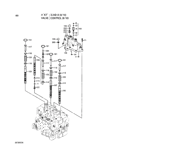
Запчасти Hitachi EX130H-5 051 VALVE;CONTROL (8;10) 01 PUMP

Схема запчастей Hitachi EX130H-5 - 051 VALVE;CONTROL (8;10) 01 PUMP
FIT
1:1
100%

Артикул

Название

Примечание

Количество

4366958

VALVE;CONTROL

1шт.

4

4506320

* O-RING

2шт.

64

4506407

* O-RING

2шт.

71

0411804

* BOLT;SOCKET

10шт.

106

+++++++

* SPOOL

1шт.

107

+++++++

* SPOOL

1шт.

108

+++++++

* SPOOL

1шт.

109

+++++++

* SPOOL

1шт.

114

0412015

* VALVE

1шт.

115

0412016

* SPRING

1шт.

117

0670002

* BOLT

4шт.

118

0670003

* SEAT;SPRING

4шт.

119

0670004

* SEAT;SPRING

4шт.

120

0670005

* SPRING

4шт.

122

0670201

* PLUG

1шт.

156

0670202

* HOUSING

1шт.

161

0411803

* O-RING

4шт.

169

0670203

* ADAPTER

1шт.

169A

0670204

** ADAPTER

1шт.

169B

957366

** O-RING

1шт.

169C

4506407

** O-RING

1шт.

169D

0670205

** FILTER

1шт.

169E

0214223

** RING;RETAINING

1шт.

197

0670206

* SCREW

1шт.

198

0670207

* CAP

1шт.

199

0412204

* CAP

1шт.

200

0412202

* NUT

2шт.

201

4506409

* O-RING

1шт.

202

0412203

* RING;RETAINING

1шт.

203

0670208

* WASHER

1шт.

Выбрано товаров: 30