Запчасти Hitachi EX130H-5 057 VALVE;CONTROL 01 PUMP

Схема запчастей Hitachi EX130H-5 - 057 VALVE;CONTROL 01 PUMP
FIT
1:1
100%

Артикул

Название

Примечание

Количество

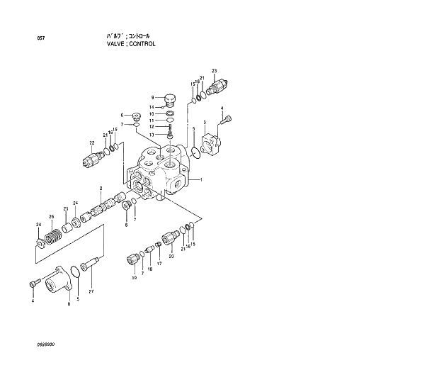
4361117

VALVE;CONTROL

1шт.

1

+++++++

* HOUSING

1шт.

2

+++++++

* PLUNGER

1шт.

3

0686901

* COVER

1шт.

4

0135401

* BOLT

4шт.

5

0686902

* O-RING

2шт.

6

0622822

* CAP

2шт.

7

4506418

* O-RING

2шт.

8

0686903

* COVER

1шт.

9

0686904

* CAP

1шт.

10

0686905

* RING;BACK-UP

1шт.

11

4028265

* O-RING

1шт.

12

0159206

* SPRING

1шт.

13

0686906

* CHECK

1шт.

14

0189803

* CHIP

1шт.

15

4506416

* O-RING

3шт.

16

4085607

* RING;BACK-UP

3шт.

17

0686907

* SPRING

1шт.

18

0686908

* CHECK

1шт.

19

0686909

* SEAT

1шт.

20

0686910

* SLEEVE

1шт.

21

0101234

* O-RING

3шт.

22

0686911

* VALVE;RELIEF

1шт.

23

0686912

* VALVE;RELIEF

1шт.

24

0686913

* GUIDE

2шт.

25

0686914

* SPACER

1шт.

26

0686915

* SPRING

1шт.

27

0686916

* CAP

1шт.

Выбрано товаров: 28