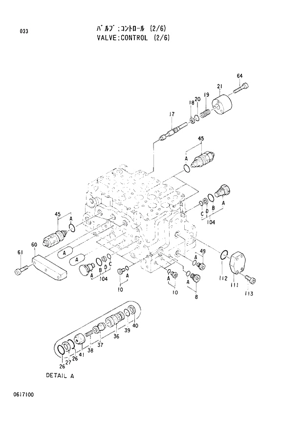
Запчасти Hitachi EX200-3 033 CONTROL VALVE (2-6). 03VALVE

Схема запчастей Hitachi EX200-3 - 033 CONTROL VALVE (2-6). 03VALVE
FIT
1:1
100%

Артикул

Название

Примечание

Количество

4296348

VALVE;CONTROL (2/6)

1шт.

8

0413601

* PLUG ASS'Y

1шт.

8A

4506418

** O-RING

1шт.

10

0413504

* PLUG ASS'Y

7шт.

10A

4506408

** O-RING

1шт.

17

4368659

* SPOOL

1шт.

18

0413602

* SEAT;SPRING

1шт.

19

0617101

* SPRING

1шт.

20

4509181

* O-RING

1шт.

21

0413604

* CAP

1шт.

26

970486

* O-RING

4шт.

27

0413605

* RING;BACK-UP

2шт.

36

0413606

* SLEEVE

2шт.

37

0413607

* POPPET

2шт.

38

0617102

* SPRING

2шт.

39

955656

* O-RING

2шт.

40

0413609

* RING;BACK-UP

2шт.

41

0413610

* PLUG

2шт.

45

4289603

* VALVE;RELIEF ASS'Y

6шт.

45A

0111809

** O-RING

1шт.

49

0413518

* PLUG ASS'Y

2шт.

49A

4509180

** O-RING

1шт.

60

0413611

* PLATE

1шт.

61

0413612

* BOLT;SOCKET

3шт.

64

0413613

* BOLT;SOCKET

3шт.

104

0413614

* PLUG ASS'Y

2шт.

104A

0413615

** PLUG

1шт.

104B

0111809

** O-RING

1шт.

104C

0413616

** O-RING

1шт.

104D

0413617

** RING;BACK-UP

1шт.

111

0413620

* CAP

1шт.

112

966993

* O-RING

1шт.

113

0413511

* BOLT;SOCKET

4шт.

Выбрано товаров: 33