Запчасти Hitachi EX200-5 025 MUFFLER 01 UPPERSTRUCTURE

Схема запчастей Hitachi EX200-5 - 025 MUFFLER 01 UPPERSTRUCTURE
FIT
1:1
100%

Артикул

Название

Примечание

Количество

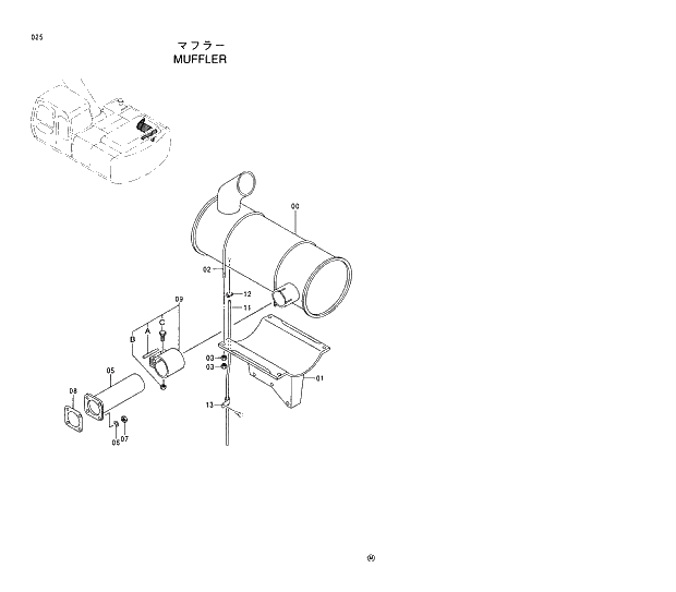
00

4332247

MUFFLER

1шт.

01

7028468

BRACKET

1шт.

02

4189055

BOLT;U

2шт.

03

J950010

NUT

8шт.

05

7028494

PIPE;EXHAUST

1шт.

06

A590908

WASHER;SPRING

-88316

4шт.

07

4252898

NUT;U

088317 -

4шт.

07

M520807

NUT

-88316

4шт.

08

4334181

GASKET

-88316

1шт.

08

4418329

GASKET

088317 -

1шт.

09

4190587

CLAMP

1шт.

09A

4162835

* GASKET

1шт.

09B

4162837

* NUT

2шт.

09C

4162836

* BOLT

2шт.

11

4249788

TUBE

1шт.

12

4396451

CLAMP;HOSE

084362 -

1шт.

12

4508575

CLAMP;HOSE

-84361

1шт.

13

4344303

CLIP

1шт.

Выбрано товаров: 18