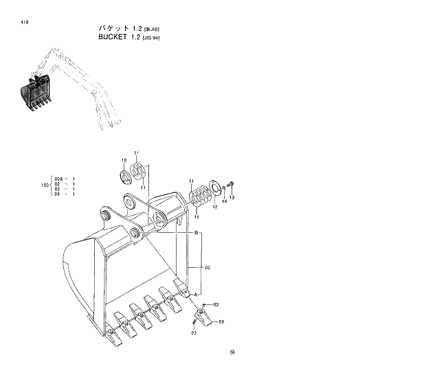
Запчасти Hitachi EX200-5 419 BUCKET (1.2) JIS94 03 FRONT

Схема запчастей Hitachi EX200-5 - 419 BUCKET (1.2) JIS94 03 FRONT
FIT
1:1
100%

Артикул

Название

Примечание

Количество

9106841

BUCKET ASS'Y

1шт.

00

8064133

* BUCKET

1шт.

00A

4352748

** ADAPTER;TOOTH

6шт.

00B

4197035

** STOPPER

2шт.

02

4319920

* RUBBER;LOCK

6шт.

02

4501625

* RUBBER;LOCK

Y

6шт.

03

4501627

* PIN;LOCK

6шт.

09

4241728

* POINT;TOOTH

6шт.

10

4275782

* BOSS

1шт.

11

4275784

* SHIM

12шт.

12

4275783

* PLATE

1шт.

13

J901480

* BOLT

3шт.

14

A590914

* WASHER;SPRING

3шт.

100

9152265

KIT;POINT

6шт.

Выбрано товаров: 14