Запчасти Hitachi EX200-5 041 FC VALVE 02 VALVE

Схема запчастей Hitachi EX200-5 - 041 FC VALVE 02 VALVE
FIT
1:1
100%

Артикул

Название

Примечание

Количество

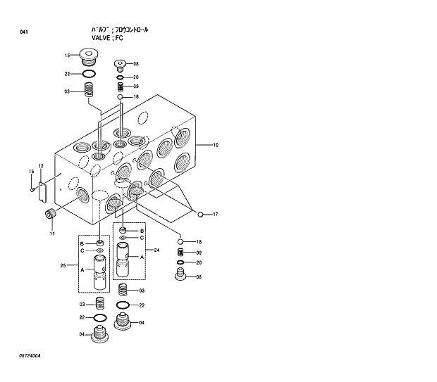
4367132

VALVE;FC

1шт.

03

0309801

* SPRING

4шт.

04

0309802

* PLUG

2шт.

08

0614204

* PLUG

4шт.

09

0614207

* SPRING;COMPRES.

4шт.

10

+++++++

* BODY

1шт.

11

0669201

* ORIFICE

1шт.

12

+++++++

* NAME-PLATE

1шт.

15

0309805

* PLUG

2шт.

16

0208717

* SCREW;DRIVE

2шт.

17

0259914

* BALL;STEEL

4шт.

18

0614208

* BALL;STEEL

4шт.

20

4506408

* O-RING

4шт.

22

4509180

* O-RING

4шт.

24

0352401

* PLUNGER ASS'Y

1шт.

24A

+++++++

** PLUNGER

1шт.

24B

+++++++

** RING

1шт.

24C

+++++++

** ORIFICE

1шт.

25

0352402

* PLUNGER ASS'Y

1шт.

25A

+++++++

** PLUNGER

1шт.

25B

+++++++

** RING

1шт.

25C

+++++++

** ORIFICE

1шт.

Выбрано товаров: 22