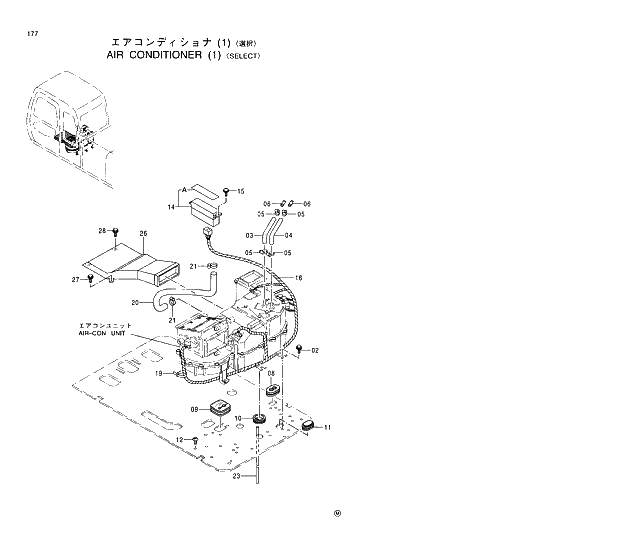
Запчасти Hitachi EX200-5 177 AIR CONDITIONER (1) SELECT 01 UPPERSTRUCTURE

Схема запчастей Hitachi EX200-5 - 177 AIR CONDITIONER (1) SELECT 01 UPPERSTRUCTURE
FIT
1:1
100%

Артикул

Название

Примечание

Количество

02

J021030

BOLT;SEMS

7шт.

03

4366623

HOSE;WATER

1шт.

04

4344638

HOSE;WATER

1шт.

05

4514699

CLAMP;HOSE

4шт.

06

4341800

PIPE

2шт.

08

4276794

BUSHING;RUBBER

1шт.

09

4351010

BUSHING;RUBBER

1шт.

10

4361147

BUSHING;RUBBER

2шт.

11

9738084

BUSHING;RUBBER

1шт.

12

4280359

CLIP

18шт.

14

4361057

CONTROLLER

-87704

1шт.

14

4405163

CONTROLLER

087705 -

1шт.

14A

4370245

* PANEL

-87704

1шт.

14A

4431043

* PANEL

087705 -

1шт.

15

J460514

SCREW;SEMS

4шт.

16

2037705

HARNESS;WIRE

-87704

1шт.

16

2041828

HARNESS;WIRE

087705 -

1шт.

19

4055312

CLIP;BAND

-87704

6шт.

19

4055312

CLIP;BAND

087705 -

7шт.

20

4376279

HOSE

1шт.

21

4011675

CLAMP;HOSE

2шт.

23

4366644

HOSE

2шт.

26

4350243

DUCT

1шт.

27

J020820

BOLT;SEMS

2шт.

28

J050820

BOLT;SEMS

2шт.

Выбрано товаров: 25