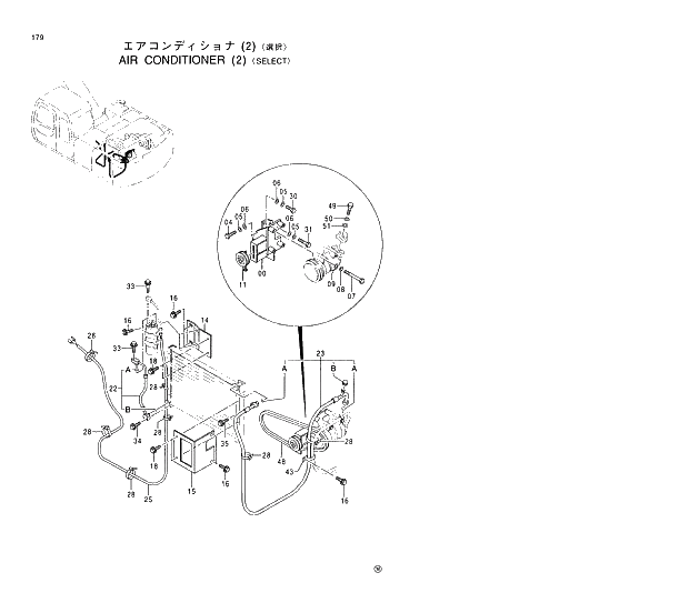
Запчасти Hitachi EX200-5 179 AIR CONDITIONER (2) SELECT 01 UPPERSTRUCTURE

Схема запчастей Hitachi EX200-5 - 179 AIR CONDITIONER (2) SELECT 01 UPPERSTRUCTURE
FIT
1:1
100%

Артикул

Название

Примечание

Количество

00

7029749

BRACKET

083535 -

1шт.

00

7029789

BRACKET

T -83534

1шт.

00

7029789

BRACKET

T -83534

1шт.

04

M111030

BOLT

-83534

2шт.

04

M111036

BOLT

083535 -

2шт.

05

A590910

WASHER;SPRING

6шт.

06

A590110

WASHER;PLANE

6шт.

07

J900806

BOLT

4шт.

08

A590908

WASHER;SPRING

4шт.

09

A590108

WASHER;PLANE

4шт.

11

4346770

PULLEY

1шт.

14

9744288

BRACKET

1шт.

15

8062193

BRACKET

1шт.

16

J020820

BOLT;SEMS

7шт.

18

J020850

BOLT;SEMS

4шт.

22

4347676

HOSE

-87704

1шт.

22

4413380

HOSE

087705 -

1шт.

22A

4370248

* O-RING

-87704

1шт.

22A

4422000

* O-RING

087705 -

1шт.

22B

4370246

* O-RING

-87704

1шт.

22B

4421946

* O-RING

087705 -

1шт.

23

4347677

HOSE

-87704

1шт.

23

4413379

HOSE

087705 -

1шт.

23A

4370246

* O-RING

-87704

2шт.

23A

4421946

* O-RING

087705 -

2шт.

23B

4370247

* CAP

1шт.

25

4346693

HARNESS;WIRE

1шт.

28

4055312

CLIP;BAND

8шт.

30

M111028

BOLT

2шт.

31

M111056

BOLT

2шт.

33

J020630

BOLT;SEMS

2шт.

34

J020830

BOLT;SEMS

1шт.

35

J020825

BOLT;SEMS

1шт.

43

4190265

CLIP

1шт.

48

4090248

BELT;V

-80730

1шт.

48

4388139

BELT;V

080731 -

1шт.

49

M111040

BOLT

1шт.

50

A590910

WASHER;SPRING

1шт.

51

A590110

WASHER;PLANE

1шт.

Выбрано товаров: 39